logo

Crowdly

Browser

Add to Chrome

Технічна механіка. Теоретична та прикладна механіка (екзаменаційний тест 2025)

Looking for Технічна механіка. Теоретична та прикладна механіка (екзаменаційний тест 2025) test answers and solutions? Browse our comprehensive collection of verified answers for Технічна механіка. Теоретична та прикладна механіка (екзаменаційний тест 2025) at mdl.ksma.ks.ua.

Get instant access to accurate answers and detailed explanations for your course questions. Our community-driven platform helps students succeed!

У

чотирьох ромбів одна і та ж площа поперечного перерізу. В якому випадку

значення моменту інерції щодо осі

x (Ix) найбільше?

0%
0%
100%
0%
View this question

В якій точці напруження розтягу σ  буде максимальним?

0%
100%
0%
0%
0%
View this question

Вкажіть правильний напрямок реакцій у крапці А

0%
0%
0%
0%
View this question

У якому випадку тіло перебуває в рівновазі? 

0%
0%
0%
0%
View this question

Чому дорівнюватиме величина

згинального моменту від розподіленої сили з концентрацією

q = 3 кН/м

відносно

точки А?

0%
0%
0%
0%
0%
0%
View this question

Чому

підшипники ковзання складаються з двох або більше частин?

0%
0%
0%
0%
0%
0%
View this question

Укажіть реакцію зв'язку нерухливого шарніра

0%
0%
0%
0%
View this question

З якою частотою nбуде обертатися  ведучий вал, якщо z1= 40;  z2

= 80;  d

3= 60 мм;  d4= 180 мм; n4

= 248

хв

-1?

0%
0%
0%
0%
0%
0%
View this question

Як класифікується передача показана на рисунку?

0%
0%
0%
0%
0%
0%
View this question

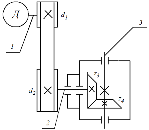
Визначити крутний момент на вихідному валу Т3, якщо двигун Д

розвиває

крутний момент Т

1 =  200

Н·м.

 Відомо, що   d1 = 240 мм;   d2 = 600 мм;   z3 = 24;   z4 = 48.

0%
0%
100%
0%
0%
0%
View this question

Want instant access to all verified answers on mdl.ksma.ks.ua?

Get Unlimited Answers To Exam Questions - Install Crowdly Extension Now!

Browser

Add to Chrome