logo

Crowdly

Browser

Add to Chrome

Технічна механіка. Теоретична та прикладна механіка (екзаменаційний тест 2025)

Looking for Технічна механіка. Теоретична та прикладна механіка (екзаменаційний тест 2025) test answers and solutions? Browse our comprehensive collection of verified answers for Технічна механіка. Теоретична та прикладна механіка (екзаменаційний тест 2025) at mdl.ksma.ks.ua.

Get instant access to accurate answers and detailed explanations for your course questions. Our community-driven platform helps students succeed!

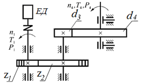
З якою кутовою швидкістю ω4

буде обертатися вихідний ведений вал, якщо 

z

1= 18;   z

=

45;  

d3

= 40 мм;  

d4

= 160 мм; ω

1= 24 рад/с?

100%
0%
0%
0%
0%
View this question

Як

класифікують зубчасту передачу за принципом передачі руху?

0%
0%
0%
0%
100%
View this question

Крапка А одного зі шківів має швидкість VA=8 см/с. Швидкість крапки В іншого шківа в цьому випадку дорівнює

0%
0%
0%
0%
View this question

До якого

виду механічних передач відносяться ланцюгові передачі?

100%
0%
0%
0%
View this question

Два колеса з зубчастою передачею перебувають у

зачепленні. Крапка А одного з коліс має швидкість V

A=20 см/с. Швидкість крапки В іншого шківа в цьому випадку дорівнює

0%
0%
0%
0%
View this question

Визначити західність  zЧ

черв’яка, якщо загальне

передавальне число механізму становить 42, 

а кількість зубів

Z1= 18;  Z2= 54;  ZK= 56

0%
0%
0%
0%
0%
View this question

На малюнку представлений графік руху крапки, що має

різні швидкості на окремих ділянках руху

. Визначити ділянку на якій швидкість є максимальною

0%
0%
0%
0%
0%
View this question

Для

визначення внутрішніх силових факторів, що діють в перерізі тіла,

використовується

...

0%
0%
0%
0%
0%
100%
0%
View this question

Прийнято

розрізняти передачі:

До якого

виду віднести пасову передачу?

0%
0%
0%
0%
View this question

Яка сила буде врівноважуючою для F1 і F2

0%
100%
0%
0%
View this question

Want instant access to all verified answers on mdl.ksma.ks.ua?

Get Unlimited Answers To Exam Questions - Install Crowdly Extension Now!

Browser

Add to Chrome