logo

Crowdly

Browser

Add to Chrome

Технічна механіка. Теоретична та прикладна механіка (екзаменаційний тест 2025)

Looking for Технічна механіка. Теоретична та прикладна механіка (екзаменаційний тест 2025) test answers and solutions? Browse our comprehensive collection of verified answers for Технічна механіка. Теоретична та прикладна механіка (екзаменаційний тест 2025) at mdl.ksma.ks.ua.

Get instant access to accurate answers and detailed explanations for your course questions. Our community-driven platform helps students succeed!

Який діаметр d1

повинен мати ведучий шків пасової передачі, щоб момент на вихідному валу

збільшився у 18 разів, якщо d

2= 320 мм;  z3= 18;   z4= 54;   z5= 32;   z6= 48?

0%
0%
0%
0%
0%
0%
View this question

Який типовий профіль метричної внутрішньої різьби по стандарту ISO в

гайках?

0%
0%
0%
View this question

Вкажіть передавальні механізми, в яких фрикційні передачі набули

найбільшого поширення.

View this question

Зміна дотичних напружень уздовж радіуса поперечного перерізу круглого

стрижня при крученні відповідає рисунку:

0%
0%
0%
0%
View this question

Яке значення крутного моменту

Т

4 одержимо, якщо момент на валу двигуна Т1=120 кН·м; z1= 20;  z2= 50;    d

=

50

мм;   d= 200 мм?

View this question

Вкажіть правильний напрямок реакцій у твердому закладенні А

0%
0%
0%
0%
View this question

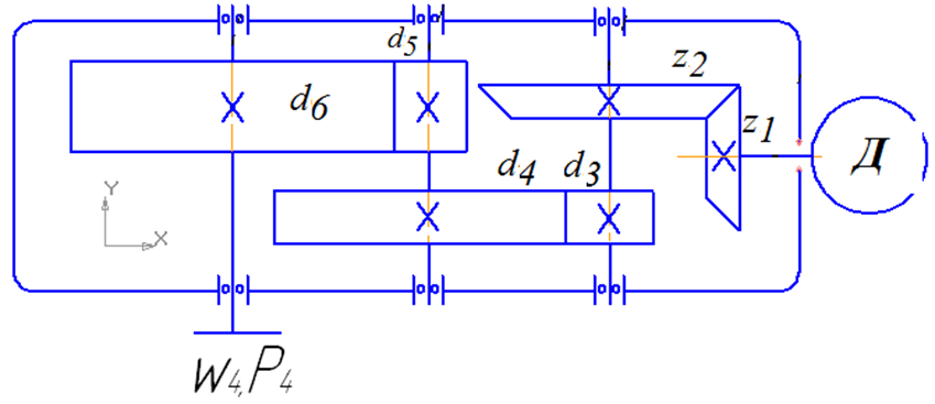
Двигун Д обертається з кутовою швидкістю w1 = 300 рад/c  З якою кутовою швидкістю w4 він буде обертатися, якщо  z1= 20;  z2= 50;   d3= 200 мм;   d4= 800 мм;   d5= 150 мм;    d6= 450 мм ?

0%
0%
0%
View this question

Стан твердого тіла не зміниться, якщо:

0%
0%
100%
0%
0%
View this question

З якою частотою nбуде обертатися  ведучий вал, якщо z1= 40;  z2

= 80;  d

3= 60 мм;  d4= 180 мм; n4

= 248

хв

-1?

0%
0%
0%
0%
0%
0%
View this question

В якому перетині правильно показано положення клинового ременя в струмку

шківа?

0%
100%
0%
View this question

Want instant access to all verified answers on mdl.ksma.ks.ua?

Get Unlimited Answers To Exam Questions - Install Crowdly Extension Now!

Browser

Add to Chrome