logo

Crowdly

Browser

Add to Chrome

Elektrotechnik (BZG5914) 25/26

Looking for Elektrotechnik (BZG5914) 25/26 test answers and solutions? Browse our comprehensive collection of verified answers for Elektrotechnik (BZG5914) 25/26 at moodle.bfh.ch.

Get instant access to accurate answers and detailed explanations for your course questions. Our community-driven platform helps students succeed!

Replace the circuit shown by a Thévénin-Circuit assuming the signed two-port. Determine the Thévénin-resistance when R1=2 kOhm and R2=5 kOhm. 

Result in [kOhm] with 3 significiant digits.

View this question

A certain electrical heater is rated for 1500 W when operated from 120 V. Find the resistance of the heater element.

Result in

View this question

Consider the circuit elements shown in the figure. Calculate the power for the element including the sign. ib = 1 A, vb = 12 V

Remember: Positive power means that the power is absorbed by the element.

Result in [W]

View this question

Consider the circuit elements shown in the figure. Calculate the power for the element including the sign. ia = 2 A, va = 12 V

Remember: Respect the sign convention for power in an electronic element

Result in [W]

View this question

Determine the power [W] of the independent voltage source.

View this question

Determine the power [W] of the resistance.

View this question

Determine the power [W] of the independent current source.

View this question

An eine Starterbatterie mit einer Leerlaufspannung von 14,3 V wird ein Lastwiderstand mit 7,44 Ω angeschlossen. Wie gross darf der Innenwiderstand der Starterbatterie höchstens sein, damit die Leistung im Lastwiderstand mindestens 16,5 W beträgt?

Geben Sie die Antwort in Ω und mit 3 signifikanten Stellen an.

View this question

An eine Starterbatterie mit einer Leerlaufspannung von 13,9 V wird ein Lastwiderstand mit 4,24 Ω angeschlossen. Wie gross darf der Innenwiderstand der Starterbatterie höchstens sein, damit die Leistung im Lastwiderstand mindestens 19,4 W beträgt?

Geben Sie die Antwort in Ω und mit 3 signifikanten Stellen an.

View this question

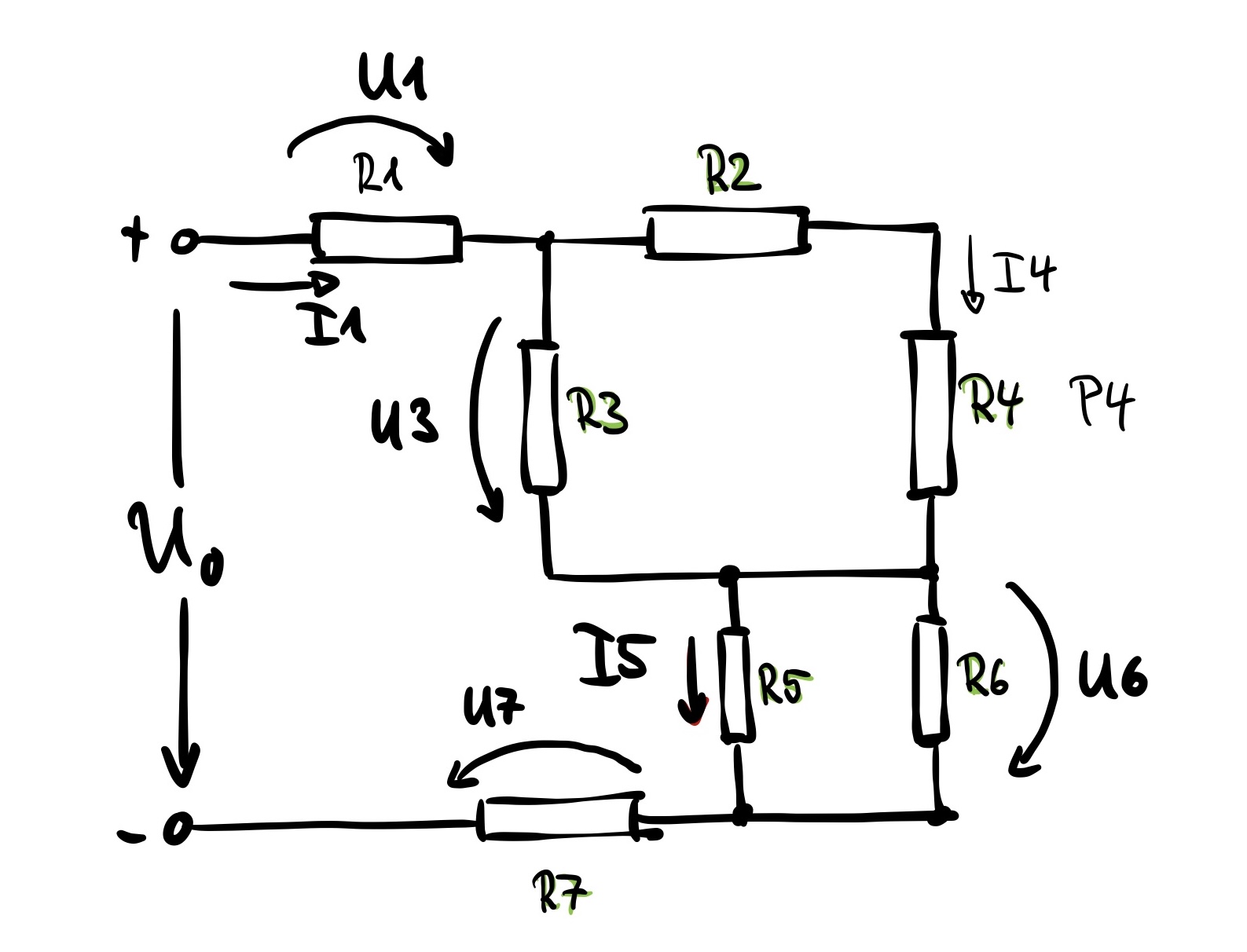
Berechnen Sie den Spannungsabfall U7  mit den Werten:

U0 = 3,8 V, R1 = 1,8 kOhm, R2 = 7,8 kOhm, R3 = 8 kOhm, R4 = 5,1 kOhm, R5 = 4,8 kOhm, R6 = 6,5 kOhm und R7 = 5,9 kOhm.

Resultat in [V] mit drei signifikanten Ziffern.

Calculez la chute de tension U7 avec les valeurs suivantes :

U0 = 3,8 V, R1 = 1,8 kΩ, R2 = 7,8 kΩ, R3 = 8 kΩ, R4 = 5,1 kΩ, R5 = 4,8 kΩ, R6 = 6,5 kΩ et R7 = 5,9 kΩ.

Résultat en [V] avec trois chiffres significatifs.

View this question

Want instant access to all verified answers on moodle.bfh.ch?

Get Unlimited Answers To Exam Questions - Install Crowdly Extension Now!

Browser

Add to Chrome