logo

Crowdly

Browser

Add to Chrome

Elektrotechnik (BZG5914) 25/26

Looking for Elektrotechnik (BZG5914) 25/26 test answers and solutions? Browse our comprehensive collection of verified answers for Elektrotechnik (BZG5914) 25/26 at moodle.bfh.ch.

Get instant access to accurate answers and detailed explanations for your course questions. Our community-driven platform helps students succeed!

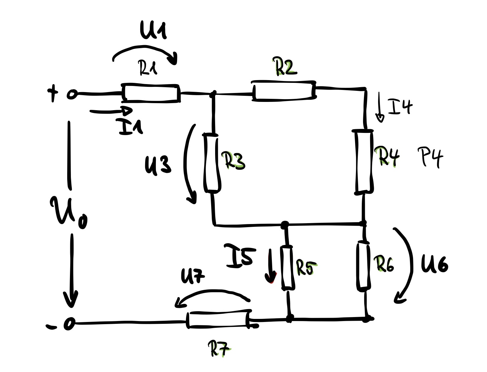
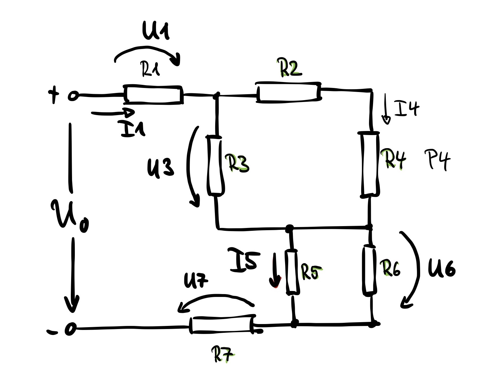
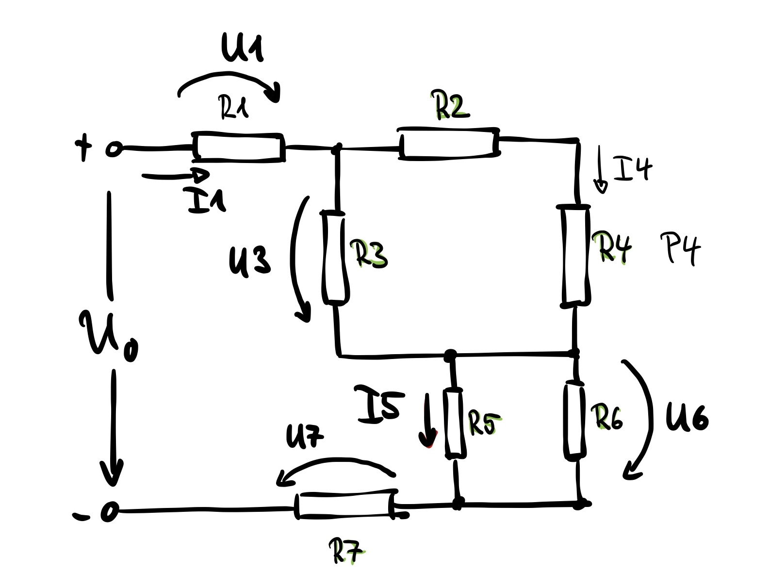
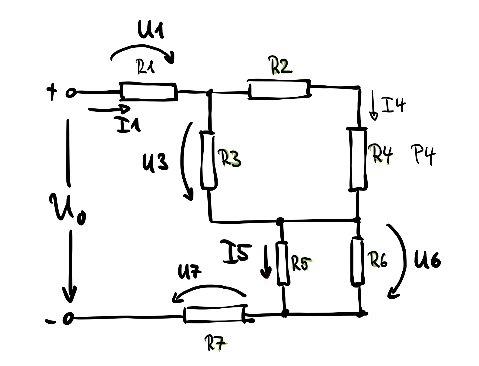
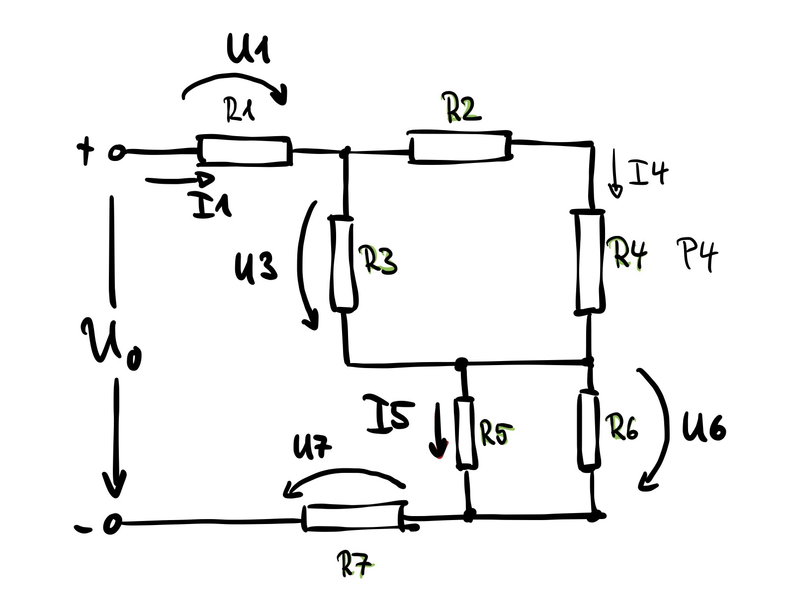
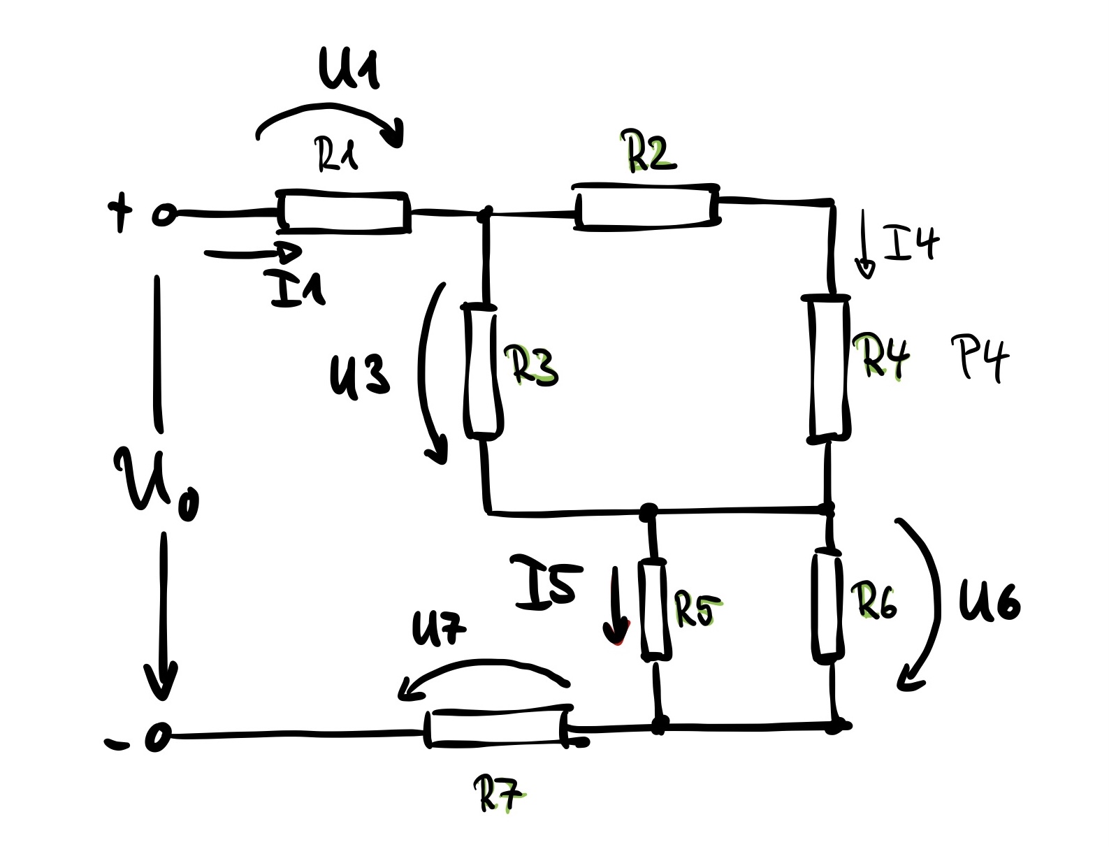
Berechnen Sie den Spannungsabfall U6  mit den Werten:

U0 = 3,3 V, R1 = 5,9 kOhm, R2 = 5,1 kOhm, R3 = 5,2 kOhm, R4 = 3,3 kOhm, R5 = 7,4 kOhm, R6 = 3,2 kOhm und R7 = 9 kOhm.

Resultat in [V] mit drei signifikanten Ziffern.

Calculez la chute de tension U6 avec les valeurs suivantes :

U0 = 3,3 V, R1 = 5,9 kΩ, R2 = 5,1 kΩ, R3 = 5,2 kΩ, R4 = 3,3 kΩ, R5 = 7,4 kΩ, R6 = 3,2 kΩ et R7 = 9 kΩ.

Résultat en [V] avec trois chiffres significatifs.

View this question

Calculez la chute de tension U1 avec les valeurs suivantes :

U0 = 6,9 V, R1 = 6800 kΩ, R2 = 320 kΩ, R3 = 100 kΩ, R4 = 750 kΩ, R5 = 830 kΩ, R6 = 1000 kΩ et R7 = 22 kΩ.

Résultat en [V] avec trois chiffres significatifs.

Calculez la chute de tension U1 avec les valeurs suivantes :

U0 = 6,9 V, R1 = 6800 kΩ, R2 = 320 kΩ, R3 = 100 kΩ, R4 = 750 kΩ, R5 = 830 kΩ, R6 = 1000 kΩ et R7 = 22 kΩ.

Résultat en [V] avec trois chiffres significatifs.

View this question

Alle Widerstände sind gleich gross. Welche Schaltung hat den kleinsten Widerstand?

Toutes les résistances ont la même valeur. Quel circuit présente la plus petite résistance ?

0%
0%
0%
0%
0%
View this question

Berechnen Sie den Strom I5 mit den Werten:

U0 = 3,3 V, R1 = 5,9 kOhm, R2 = 5,1 kOhm, R3 = 5,2 kOhm, R4 = 3,3 kOhm, R5 = 7,4 kOhm, R6 = 3,2 kOhm und R7 = 9 kOhm.

Resultat in [mA] mit drei signifikanten Ziffern.

Calculez le courant I5 avec les valeurs suivantes :

U0 = 3,3 V, R1 = 5,9 kΩ, R2 = 5,1 kΩ, R3 = 5,2 kΩ, R4 = 3,3 kΩ, R5 = 7,4 kΩ, R6 = 3,2 kΩ et R7 = 9 kΩ.

Résultat en [mA] avec trois chiffres significatifs.

View this question

Alle Widerstände haben denselben Wert. Welche Schaltung hat den grössten Widerstand? 

Achtung: Erster Versuch gilt

Tous les résistances ont la même valeur. Quel circuit présente la plus grande résistance ?

Attention : premier essai comptabilisé.

View this question

Wie verhalten sich die Zweigströme zu den Zweigwiderständen?

Comment les courants de branche se comportent-ils par rapport aux résistances des branches ?

View this question

Berechnen Sie die Leistung P4 welche im Widerstand R4 absorbiert wird mit den Werten:

U0 = 9,6 V, R1 = 6,5 kOhm, R2 = 6,2 kOhm, R3 = 6,6 kOhm, R4 = 6,3 kOhm, R5 = 6,5 kOhm, R6 = 6,6 kOhm und R7 = 1,2 kOhm.

Resultat in [mW] mit drei signifikanten Ziffern.

Calculez la puissance P4 absorbée par la résistance R4 avec les valeurs suivantes :

U0 = 9,6 V, R1 = 6,5 kΩ, R2 = 6,2 kΩ, R3 = 6,6 kΩ, R4 = 6,3 kΩ, R5 = 6,5 kΩ, R6 = 6,6 kΩ et R7 = 1,2 kΩ.

Résultat en [mW] avec trois chiffres significatifs.

View this question

Berechnen Sie den Spannungsabfall U1  mit den Werten:

U0 = 6,3 V, R1 = 9,6 kOhm, R2 = 2,6 kOhm, R3 = 9,7 kOhm, R4 = 5,9 kOhm, R5 = 2,8 kOhm, R6 = 5,5 kOhm und R7 = 5,5 kOhm.

Resultat in [V] mit drei signifikanten Ziffern.

Calculez la chute de tension U1 avec les valeurs suivantes :

U0 = 6,3 V, R1 = 9,6 kΩ, R2 = 2,6 kΩ, R3 = 9,7 kΩ, R4 = 5,9 kΩ, R5 = 2,8 kΩ, R6 = 5,5 kΩ et R7 = 5,5 kΩ.

Résultat en [V] avec trois chiffres significatifs.

View this question

Berechnen Sie den Gesamtstrom des Netzwerkes mit den Werten:

U0 = 3,3 V, R1 = 5,9 kOhm, R2 = 5,1 kOhm, R3 = 5,2 kOhm, R4 = 3,3 kOhm, R5 = 7,4 kOhm, R6 = 3,2 kOhm und R7 = 9 kOhm.

Resultat in [mA] mit drei signifikanten Ziffern.

View this question

Berechnen Sie den Gesamtwiderstand des Netzwerkes mit den Werten:

U0 = 6,7 V, R1 = 7,9 kOhm, R2 = 6,8 kOhm, R3 = 1,6 kOhm, R4 = 7,7 kOhm, R5 = 7 kOhm, R6 = 1,2 kOhm und R7 = 7 kOhm.

Resultat in [kOhm] mit drei signifikanten Ziffern.

Calculez la résistance totale du réseau avec les valeurs suivantes :

U0 = 6,7 V, R1 = 7,9 kΩ, R2 = 6,8 kΩ, R3 = 1,6 kΩ, R4 = 7,7 kΩ, R5 = 7 kΩ, R6 = 1,2 kΩ et R7 = 7 kΩ.

Résultat en [kΩ] avec trois chiffres significatifs.

View this question

Want instant access to all verified answers on moodle.bfh.ch?

Get Unlimited Answers To Exam Questions - Install Crowdly Extension Now!

Browser

Add to Chrome