logo

Crowdly

Browser

Add to Chrome

KP22GH-0708-BÜP

Looking for KP22GH-0708-BÜP test answers and solutions? Browse our comprehensive collection of verified answers for KP22GH-0708-BÜP at moodle.bsrueti.ch.

Get instant access to accurate answers and detailed explanations for your course questions. Our community-driven platform helps students succeed!

Ein gerade verzahntes Stirnzahnrad wurde beschädigt und muss ersetzt werden.

Am defekten Zahnrad können Sie die Zähnezahl z = 45 bestimmen. Die Zahnhöhe messen Sie mit h = 9.0 mm. Bestimmen Sie den Modul m des Zahnrades, wenn das Kopfspiel c = 0.25 * m beträgt und die Zahnhöhe damit h = 2.25 * m.

0%
0%
0%
View this question

Der Elektrokettenzug GCH 250 dient zum Heben und Senken von Lasten dienen Hebezeugs. Er hebt eine Last von 250 kg bei einer Hubgeschwindigkeit von 8 m/min.

Berechnen Sie die dazu nötige Leistung in W.

Kettenzug

View this question

Wählen Sie ein sinnvolles Verbotszeichen und ein sinnvolles Warnzeichen für den Einsatz des Elektrokettenzuges aus.

Sicherheitszeichen

View this question

Ein gerade verzahntes Stirnzahnrad wurde beschädigt und muss ersetzt werden.

Am defekten Zahnrad können Sie die Zähnezahl z = 45 bestimmen. Die Zahnhöhe messen Sie mit h = 9.0 mm. Bestimmen Sie den Teilkreisdurchmesser des Zahnrades, wenn das Kopfspiel c = 0.25 * m beträgt und die Zahnhöhe damit h = 2.25 * m.

View this question

Ordnen Sie Stahlsorte vom Stahl 16MnCr5 und die Definition von Galvanisieren zu.

View this question

Man unterscheidet Kraft- und Arbeitsmaschinen. Ordnen Sie diese beiden Begriffe den nachstehenden Komponenten zu.

View this question

Während 14 Tagen wurde eine 100 W Glühbirne von 6:00 Uhr bis 20:00 Uhr vergessen auszuschalten. Berechnen Sie die Energiekosten in CHF, welche zum Hochtarif mit

21 Rp./kWh verrechnet werden.

Hinweis: Runden Sie das Resultat auf zwei Stellen nach dem Komma.

View this question

Kann elektrische Energie einfach in andere Energieformen übergeführt (umgeladen) werden?

View this question

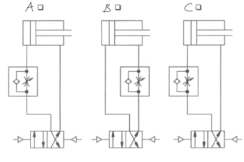
Sie wollen bei einem doppeltwirkenden Zylinder die Rücklaufgeschwindigkeit durch Drosselung einstellen können.

Welche Anordnung des Drosselrückschlagventils ist üblich?

Ventil

View this question

Eine 3 V Lampe soll an eine 4.5 V Batterie angeschlossen werden. 

Welches Bild zeigt die richtige Schaltung damit die Lampe nicht überlastet wird?

Richtige Schaltung

0%
0%
0%
0%
View this question

Want instant access to all verified answers on moodle.bsrueti.ch?

Get Unlimited Answers To Exam Questions - Install Crowdly Extension Now!

Browser

Add to Chrome