logo

Crowdly

Browser

Add to Chrome

KP22GH-0708-BÜP

Looking for KP22GH-0708-BÜP test answers and solutions? Browse our comprehensive collection of verified answers for KP22GH-0708-BÜP at moodle.bsrueti.ch.

Get instant access to accurate answers and detailed explanations for your course questions. Our community-driven platform helps students succeed!

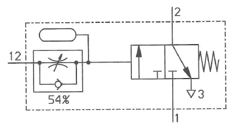
Um welchen Ventiltyp handelt es sich hier?

Ventiltyp

0%
0%
0%
0%
0%
View this question

In welcher Reihenfolge müssen die nachstehenden Elemente in eine Steuerung eingebaut werden?

Pneumatiksymbole

0%
0%
0%
0%
View this question

Drei Glühlampen sollen so an das Wechselstrom-Netz 230 V angeschlossen werden, dass eine möglichst hohe Ausleuchtung erfolgt. 

Welche Aussage ist richtig?

0%
0%
0%
0%
View this question

Vier 6 Volt Lampen (I = 0.3 A) sind in Serie geschaltet.

Welche Spannung zeigt das Voltmeter über alle vier Lampen?

0%
0%
0%
0%
0%
View this question

Um welches Ventil handelt es sich gemäss Abbildung?

Ventil

View this question

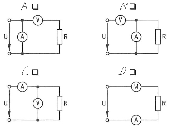
Die Beschriftung eines Tauchsieders/Wasserkochers ist nicht mehr lesbar. 

Um die Leistung des Gerätes bestimmen zu können, stehen die in den Schaltungen eingezeichneten Messgeräte zur Verfügung.

Welche Schaltung der Messgeräte ist richtig?

Messgeräte

0%
0%
0%
View this question

Welche Aussage über das dargestellte Wälzlager ist richtig?

DAS LAGER ...

Lager

0%
0%
0%
0%
0%
View this question

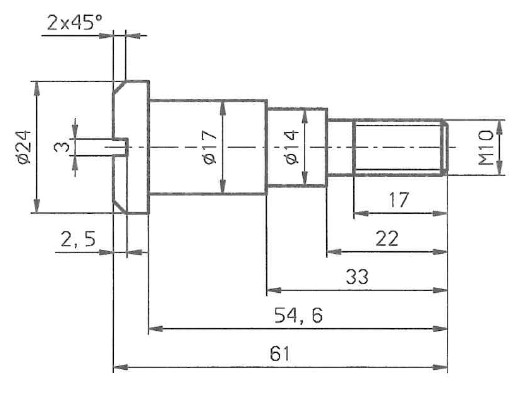
Die Zeichnung enthält einen Fehler in der Darstellung. Welchen?

Welle

0%
0%
0%
0%
View this question

Berechnen Sie die Zähnezahl z2 des Getriebes.

Zähnezahl

View this question

Wie gross sind Höchstspiel und Mindestspiel für die Passung 20 H8 / g6?

0%
0%
0%
0%
View this question

Want instant access to all verified answers on moodle.bsrueti.ch?

Get Unlimited Answers To Exam Questions - Install Crowdly Extension Now!

Browser

Add to Chrome