logo

Crowdly

Browser

Add to Chrome

T190B263 Grandinių teorija 2 Darius Jegelevičius (ruduo, nuolatinės, LT)

Looking for T190B263 Grandinių teorija 2 Darius Jegelevičius (ruduo, nuolatinės, LT) test answers and solutions? Browse our comprehensive collection of verified answers for T190B263 Grandinių teorija 2 Darius Jegelevičius (ruduo, nuolatinės, LT) at moodle.ktu.edu.

Get instant access to accurate answers and detailed explanations for your course questions. Our community-driven platform helps students succeed!

Kuri įėjimo impedanso (šaltinio atžvilgiu) dažninė amplitudės ch-ka atitinka šią grandinę?

100%
0%
0%
0%
View this question

Kuri dažninė charakteristika atitiks šios grandinės įėjimo impedanso modulį įtampos šaltinio gnybtų atžvilgiu?

0%
100%
0%
View this question

Kuri dažninė charakteristika atitiks šios grandinės įėjimo impedanso modulį įtampos šaltinio gnybtų atžvilgiu?

0%
0%
100%
View this question

Kuri įtampos perdavimo dažninė amplitudės ch-ka atitinka šią grandinę?

100%
0%
0%
0%
View this question

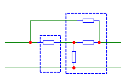
Kuris(-ie) šios grandinės išskaidymas(-ai) į keturpolius yra teisingas(-i)?

0%
0%
0%
0%
0%
0%
0%
View this question

Kas ir kodėl yra skaičiuojama šiomis formulėmis?

keturpoliai

 keturpoliai

100%
100%
0%
0%
0%
View this question

Kuri įėjimo impedanso (šaltinio atžvilgiu) dažninė amplitudės ch-ka atitinka šią grandinę?

0%
0%
0%
0%
View this question

Kuris ekvivalentinis grandinės pakeitimas yra teisingas, kai f→0 Hz

0%
0%
0%
View this question

Kam bus lygus varžinio elemento, su varža R impedanso modulis, kai dažnis f=0 Hz?

0%
0%
0%
0%
View this question

Kuri įėjimo impedanso (šaltinio atžvilgiu) dažninė amplitudės ch-ka atitinka šią grandinę?

0%
100%
0%
0%
View this question

Want instant access to all verified answers on moodle.ktu.edu?

Get Unlimited Answers To Exam Questions - Install Crowdly Extension Now!

Browser

Add to Chrome