logo

Crowdly

Browser

Add to Chrome

P175B100 Skaitmeninės logikos pradmenys (nuolatinės, LT)

Looking for P175B100 Skaitmeninės logikos pradmenys (nuolatinės, LT) test answers and solutions? Browse our comprehensive collection of verified answers for P175B100 Skaitmeninės logikos pradmenys (nuolatinės, LT) at moodle.ktu.edu.

Get instant access to accurate answers and detailed explanations for your course questions. Our community-driven platform helps students succeed!

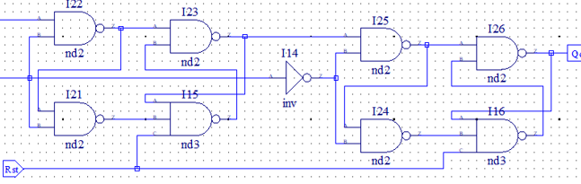
Paveiksle matote registrą (aukščiausia skiltis - Q3, žemiausia - Q0):

Atidžiai įsižiūrėkite į jį ir pažymėkite, kuris teiginys apie šį registrą yra teisingas?

0%
0%
0%
0%
0%
View this question

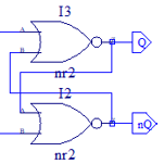
Kurio tipo trigeris parodytas šiame paveiksle:

0%
0%
0%
0%
View this question

Žemiau matote trigerio darbo diagramą:

Kuris iš trigerių gali taip dirbti?

0%
0%
0%
0%
0%
View this question

Kurio tipo trigeriui tinka tokia išraiška:

0%
0%
0%
0%
0%
0%
View this question

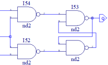
Kurio tipo trigeris parodytas paveiksle?

0%
0%
0%
0%
0%
View this question

Kurio tipo trigeris parodytas šiame paveiksle:

0%
0%
0%
0%
0%
View this question

Kurio tipo trigeriai reaguoja į įvesties signalų reikšmes tik sinchronizacijos signalui pereinant iš 0 į 1?

0%
0%
0%
View this question

Kurio tipo trigeriai reaguoja į įvesties signalų reikšmes, kai sinchronizacijos signalas lygus 1?

0%
0%
0%
View this question

Kurio tipo trigeriai priima įvesties signalų reikšmes, kai sinchronizacijos signalas lygus 1, o įšvestyje keičia reikšmę, jam perėjus į 0?

0%
0%
0%
View this question

Kuris trigeris pavaizduotas žemiau?

0%
0%
0%
0%
0%
View this question

Want instant access to all verified answers on moodle.ktu.edu?

Get Unlimited Answers To Exam Questions - Install Crowdly Extension Now!

Browser

Add to Chrome