Looking for Výkonová elektronika test answers and solutions? Browse our comprehensive collection of verified answers for Výkonová elektronika at moodle.tuke.sk.
Get instant access to accurate answers and detailed explanations for your course questions. Our community-driven platform helps students succeed!
Na obrázku je znázornený usmerňovač blokujúceho meniča:
Na obrázku je znázornená náhradná schéma typická pre priepustný menič.
Na obrázku je výstupné napätie trojfázového uzlového usmerňovača po zapnutí (napájanie 3x230V~50Hz). Odčítajte veľkosť uhla riadenia α v stupňoch v ustálenom stave.
Jednofázový mostíkový plnoriadený usmerňovač s neznámou pasívnou záťažou bol pripojený k sieti v čase 0 s. Na obrázku je znázornený simulovaný priebeh výstupného napätia usmerňovača (zataz) a prúdu záťaže. V čase 0,01s pracoval usmerňovač v ustálenom stave. Rozhodnite, či usmerňovač obsahoval nulovú diódu (áno alebo nie). Odpoveď jednoducho zdôvodnite.
Jednofázový mostíkový plnoriadený usmerňovač s neznámou pasívnou záťažou bol pripojený k sieti v čase 0s. Na obrázku je znázornený simulovaný priebeh výstupného napätia usmerňovača (zataz). V čase 0,01s pracoval usmerňovač v ustálenom stave. Rozhodnite, či usmerňovač pracoval v oblasti neprerušovaných prúdov (áno alebo nie). Odpoveď jednoducho zdôvodnite.
Na obrázku je znázornený usmerňovač nepriameho meniča:
Na obrázku je znázornené výstupné napätie uzlového trojfázového usmerňovača s RL záťažou pracujúceho v oblasti neprerušovaných prúdov. Napájacie napätie je 3x230V~50Hz. Aká je stredná hodnota výstupného napätia? (Pomôcka: Dĺžka záporného úseku výstupného napätia je 30˚.)
Na obrázku je znázornený priebeh výstupného napätia Uz štvorkvadrantového jednosmerného meniča. Rozhodnite o aký spôsob riadenia sa jedná.
Jednofázový striedavý meniča napätia s RL záťažou je
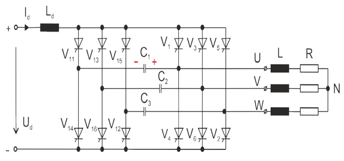
Aký striedač je znázornený na obrázku?