logo

Crowdly

Browser

Add to Chrome

Výkonová elektronika

Looking for Výkonová elektronika test answers and solutions? Browse our comprehensive collection of verified answers for Výkonová elektronika at moodle.tuke.sk.

Get instant access to accurate answers and detailed explanations for your course questions. Our community-driven platform helps students succeed!

Aký typ meniča frekvencie je zobrazený na obrázku?

a

0%
0%
0%
View this question

Zobrazený priebeh magnetizačného prúdu tramsformátora je typický pre:

a

0%
0%
0%
View this question

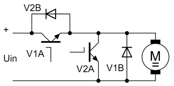
Na obrázku je znázornená schéma zapojenia jednosmerného meniča. Rozhodnite o aký typ meniča sa jedná.

0%
0%
0%
View this question

Jednofázový jednoimpulzový usmerňovač s RL záťažou (R = 10Ω, L = 50mH) a nulovou diódou je napájaný zo siete ~230V, 50Hz. Uhol riadenia α = 60°. Vypočítajte strednú hodnotu napätia na záťaži UZ(AV).

100%
0%
0%
View this question

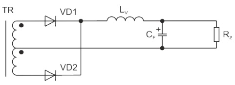
Na obrázku je znázornený usmerňovač blokujúceho meniča:

a

0%
0%
View this question

Na obrázku je znázornená náhradná schéma typická pre priepustný menič. 

a

0%
100%
View this question

Na obrázku je výstupné napätie trojfázového uzlového usmerňovača po zapnutí (napájanie 3x230V~50Hz). Odčítajte veľkosť uhla riadenia α v stupňoch v ustálenom stave.

View this question

Jednofázový mostíkový plnoriadený usmerňovač s neznámou pasívnou záťažou bol pripojený k sieti v čase 0 s. Na obrázku je znázornený simulovaný priebeh výstupného napätia usmerňovača (zataz) a prúdu záťaže. V čase 0,01s pracoval usmerňovač v ustálenom stave. Rozhodnite, či usmerňovač obsahoval nulovú diódu (áno alebo nie). Odpoveď jednoducho zdôvodnite.

View this question

Jednofázový mostíkový plnoriadený usmerňovač s neznámou pasívnou záťažou bol pripojený k sieti v čase 0s. Na obrázku je znázornený simulovaný priebeh výstupného napätia usmerňovača (zataz). V čase 0,01s pracoval usmerňovač v ustálenom stave. Rozhodnite, či usmerňovač pracoval v oblasti neprerušovaných prúdov (áno alebo nie). Odpoveď jednoducho zdôvodnite.

View this question

Na obrázku je znázornený usmerňovač nepriameho meniča:

a

0%
0%
0%
View this question

Want instant access to all verified answers on moodle.tuke.sk?

Get Unlimited Answers To Exam Questions - Install Crowdly Extension Now!

Browser

Add to Chrome