logo

Crowdly

Browser

Add to Chrome

Výkonová elektronika

Looking for Výkonová elektronika test answers and solutions? Browse our comprehensive collection of verified answers for Výkonová elektronika at moodle.tuke.sk.

Get instant access to accurate answers and detailed explanations for your course questions. Our community-driven platform helps students succeed!

Na obrázku je znázornené výstupné napätie uzlového trojfázového usmerňovača s RL záťažou pracujúceho v oblasti neprerušovaných prúdov. Napájacie napätie je 3x230V~50Hz. Aká je stredná hodnota výstupného napätia? (Pomôcka: Dĺžka záporného úseku výstupného napätia je 30˚.)

0%
0%
0%
View this question

Na obrázku je znázornený priebeh výstupného napätia Uz štvorkvadrantového jednosmerného meniča. Rozhodnite o aký spôsob riadenia sa jedná.

0%
0%
100%
0%
View this question

Jednofázový striedavý meniča napätia s RL

záťažou je

napájaný napätím 230V~50Hz a priebeh jeho výstupného napätia je znázornený na obrázku. Aký je uhol vypnutia uhol α2 ?

0%
0%
0%
View this question

Aký striedač je znázornený na obrázku?

a

0%
0%
0%
0%
View this question

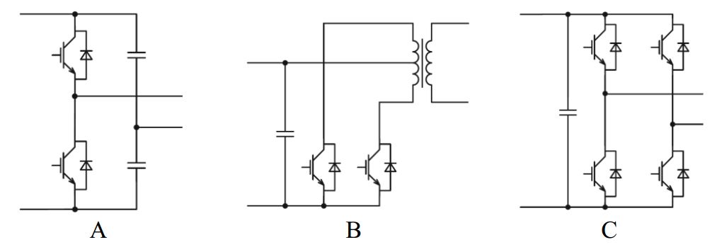
Na obrázkoch sú znázornené základné topológie jednofázových striedačov. Na ktorom obrázku je schéma polomostíkového striedača?

100%
0%
0%
View this question

Na obrázku je znázornený časový priebeh výstupného napätia jednofázového striedača a jeho základnej harmonickej. Rozhodnite o aký spôsob riadenia sa jedná.

0%
100%
0%
0%
0%
View this question

Na obrázku je znázornené:

a

100%
0%
0%
0%
View this question

Aké riadenie napätia má mostíkový jednofázový striedač, ak jeho výstupné napätie vyzerá takto:a

0%
0%
100%
0%
View this question

Na obrázku je znázornené:

a

0%
100%
0%
0%
0%
View this question

Aký typ riadenia PFC meniča je znázornený na obrázku?

a

0%
0%
View this question

Want instant access to all verified answers on moodle.tuke.sk?

Get Unlimited Answers To Exam Questions - Install Crowdly Extension Now!

Browser

Add to Chrome