logo

Crowdly

Browser

Add to Chrome

Výkonová elektronika

Looking for Výkonová elektronika test answers and solutions? Browse our comprehensive collection of verified answers for Výkonová elektronika at moodle.tuke.sk.

Get instant access to accurate answers and detailed explanations for your course questions. Our community-driven platform helps students succeed!

Na obrázku je znázornený:

a

0%
0%
0%
0%
View this question

Na obrázku je znázorený:

a

0%
0%
0%
0%
View this question

Na obrázku je znázornený:

a

0%
0%
0%
0%
View this question

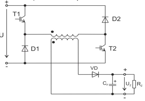
Aký typ riadenia výstupného napätia meniča frekvencie je zobrazený na obrázku?

a

0%
100%
0%
0%
View this question

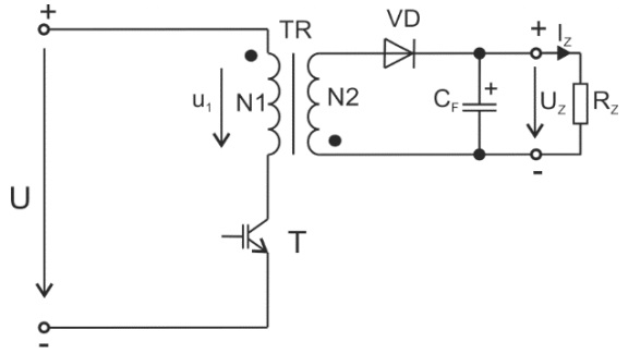
Aký typ meniča frekvencie je zobrazený na obrázku?

a

100%
0%
0%
View this question

Zobrazený priebeh magnetizačného prúdu tramsformátora je typický pre:

a

0%
0%
0%
View this question

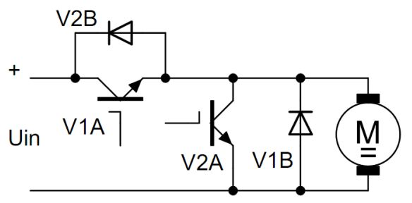
Na obrázku je znázornená schéma zapojenia jednosmerného meniča. Rozhodnite o aký typ meniča sa jedná.

0%
100%
0%
View this question

Jednofázový jednoimpulzový usmerňovač s RL záťažou (R = 10Ω, L = 50mH) a nulovou diódou je napájaný zo siete ~230V, 50Hz. Uhol riadenia α = 60°. Vypočítajte strednú hodnotu napätia na záťaži UZ(AV).

0%
0%
0%
View this question

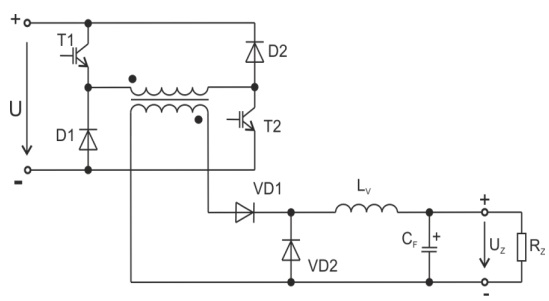
Na obrázku je znázornený usmerňovač blokujúceho meniča:

a

100%
0%
View this question

Je nasledovné tvrdenie pravdivé? 

Striedač slúži na zmenu efektívnej hodnoty vstupného napätia.

100%
0%
View this question

Want instant access to all verified answers on moodle.tuke.sk?

Get Unlimited Answers To Exam Questions - Install Crowdly Extension Now!

Browser

Add to Chrome