logo

Crowdly

Browser

Add to Chrome

Electro y Electrónica IG (G2)

Looking for Electro y Electrónica IG (G2) test answers and solutions? Browse our comprehensive collection of verified answers for Electro y Electrónica IG (G2) at moodle.upm.es.

Get instant access to accurate answers and detailed explanations for your course questions. Our community-driven platform helps students succeed!

Si por error se intenta medir intensidad, con los cables conectados en paralelo al circuito, el aparato no medirá y puede estropearse.

0%
0%
View this question

En un nudo de una red de corriente continua la suma de las intensidades que entran en el mismo, es igual a la suma de las que salen de dicho nudo.

0%
100%
View this question

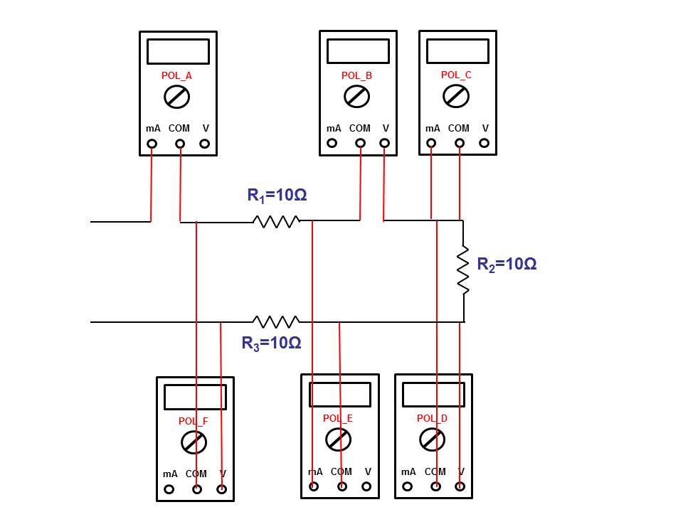
Indicar el polímetro que está conectado correctamente para medir la caída de tensión que se produce en la resistencia R2, suponiendo la no existencia del resto de polímetros y la continuidad de los conductores en los sitios en donde éstos están conectados.

0%
0%
100%
0%
0%
0%
View this question

Dar la lectura (con su unidad) del voltímetro que mide la diferencia de potencial de la resistencia R2, sabiendo que la intensidad en la misma es de 5 A.

View this question

Emparejar las siguientes magnitudes eléctricas con sus unidades.

View this question

En el esquema de la figura se puede obtener la diferencia de potencial incógnita URx resolviendo la malla con la siguiente ecuación:

0%
0%
100%
0%
View this question

En un circuito eléctrico, los elementos pasivos son:

100%
0%
0%
View this question

La capacidad equivalente de 3 condensadores de capacidad 10 μF, 10 μF y 20 μF, conectados en paralelo es:

0%
0%
100%
0%
View this question

La unidad del potencial eléctrico en el Sistema Internacional de Unidades (S.I.), es:

0%
100%
0%
0%
View this question

¿Qué cable de cobre tendrá mayor resistencia eléctrica:?

0%
0%
100%
0%
View this question

Want instant access to all verified answers on moodle.upm.es?

Get Unlimited Answers To Exam Questions - Install Crowdly Extension Now!

Browser

Add to Chrome