logo

Crowdly

Browser

Add to Chrome

Electro y Electrónica IG (G2)

Looking for Electro y Electrónica IG (G2) test answers and solutions? Browse our comprehensive collection of verified answers for Electro y Electrónica IG (G2) at moodle.upm.es.

Get instant access to accurate answers and detailed explanations for your course questions. Our community-driven platform helps students succeed!

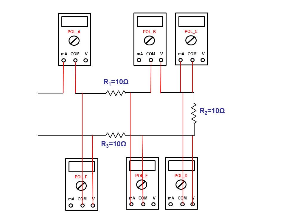
 En el diagrama de la figura, si R1=10 Ω , su impedancia será:

 

 

TP02.01

0%
0%
0%
0%
View this question

¿Cuál de las siguientes afirmaciones de la práctica es verdadera?

0%
0%
0%
0%
View this question

 Si el polímetro de la figura registra un valor constante de 5 V, éste representa:

 

 

TP02.04

0%
0%
0%
0%
View this question

 En el circuito de la figura, suponiendo una impedancia Z2 de 4+j4 y Z3 de 4-j2, ¿cúal será el valor de la impedancia Z61?

 

 

TP02.08

0%
0%
0%
100%
View this question

Dado un receptor con R = 1 Ω y X = 2 Ω, su admitancia es:

 

 

 

0%
0%
0%
0%
View this question

 La amplitud y valor eficaz de la tensión representada en verde es:

 

 

100%
0%
0%
0%
View this question

Dada una tensión alterna senoidal, el valor del desfase (φ), y la amplitud (I0) de la intensidad vienen condicionadas por:

 

 

100%
0%
0%
0%
View this question

Dar la lectura de la potencia que absorbe el circuito con los datos de la figura. Debe incluirse su unidad correspondiente, detrás del número.

View this question

Para medir con el polímetro se pone el selector giratorio en la magnitud adecuada, los cables en los bornes correctos (mA/COM/V), con conexión serie (los dos cables juntos antes del receptor) para la tensión (U) y paralelo (un cable antes del receptor y otro después) para la intensidad (I).

0%
0%
View this question

Dar la lectura del polímetro POL_F, con su unidad, sabiendo que la caída de tensión que se produce en cada una de las tres resistencias de la figura es de 10 V (UR1=UR2=UR3=10V).

View this question

Want instant access to all verified answers on moodle.upm.es?

Get Unlimited Answers To Exam Questions - Install Crowdly Extension Now!

Browser

Add to Chrome