logo

Crowdly

Browser

Add to Chrome

ECNG1006 : Laboratory and Project Design I (Semester II- 2024/2025)

Looking for ECNG1006 : Laboratory and Project Design I (Semester II- 2024/2025) test answers and solutions? Browse our comprehensive collection of verified answers for ECNG1006 : Laboratory and Project Design I (Semester II- 2024/2025) at myelearning.sta.uwi.edu.

Get instant access to accurate answers and detailed explanations for your course questions. Our community-driven platform helps students succeed!

If the load is resistive then . if the load is inductive or capacitive then 

0%
0%
View this question

Explain the operation of the circuit below by matching the function with the piece of equipment.

View this question

Match the equation to the type of balanced 3 phase load.

where

  • Phase Voltage 

  • Phase Current 

  • Line to Line Voltage 

  • Line Current 

  • Complex Power per phase

  • Real Power per phase

  • Three phase Real Power 

  • Phase angle between the current and voltage

View this question

Which of the following statements are FALSE?

  1. Impedance (Z)  is a complex quantity defined such that Z = R + jX where R is reactance and X is resistance.

  2. Complex quantities can be expressed in Cartesian form, polar form or exponential form.

  3. When adding Complex quantities they must first be converted to polar form.

  4. When multiplying Complex quantities they must first be converted to either polar or exponential form.

  5. The magnitude of Z i.e. |Z| = R + X.
  6. The magnitude of Z i.e. |Z| = R2 + X2.
  7. The angle θ in the diagram below can be defined as θ = cos(X/R).
  8. The angle θ in the diagram below can be defined as θ = tan-1(X/R).

0%
0%
0%
0%
View this question

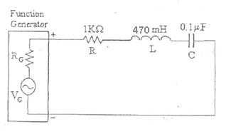
Kirchhoff's Voltage Law, Kirchhoff's Current Law, Ohm's Law, Potential Divider Law and Current Divider Law are applicable to circuits with impedances. However, since impedance is a complex quantity (i.e. Z =R +jX), the impedances must be converted into an appropriate form before multiplication and addition.

For the series RLC circuit shown below, the voltage drops across the components can be found by applying Potential Divider Law as follows:

0%
0%
View this question

In practical applications, the capacitors and inductors used in electric circuits are not ideal components i.e. they do not only contain capacitance or inductance. However, they can be modeled as ideal capacitors and inductors in series with a resistance. This resistance is defined as the equivalent series resistance (ESR) and is sometimes referred to as a parasitic resistance due to its undesirable nature and side effects. These resistances contribute to power losses, cause undesirable phase shifts and may cause a reduction in the expected circuit current.

100%
0%
View this question

Which of the following statements are TRUE? 

  1. Phasors are an efficient method of analyzing AC circuits when the frequencies are the same. Thus on a single phasor diagram, all the plotted phasors  represent sinusoids of the same frequency.  All phasors on the same phasor diagram are considered to rotate at the same angular frequency in a counterclockwise direction. 

  2. In the phasor diagram, everything is plotted on a coordinate system and phasors can be treated in a similar fashion to  vectors. Thus phasor diagram must be drawn to scale and their resultants can be found by simply applying vector algebra. 

  3. Vectors have magnitude and direction and thus the phasors on a phasor diagram are normally defined by their length and also  by their angles with respect to a specific reference phasor

  4. The "reference phasor" is one of the circuit phasors that chosen to lie on the x axis of the phasor diagram, pointing to the right. The angle between two phasors is the same as the phase angle between the two sinusoids.

  5. According to standard, the length of a phasor is equal to the rms value of the equivalent sinusoid  (unless it is specifically stated otherwise). 

  6. In the diagram below, the purple phasor is equal to Vx + Vy.
  7. In the diagram below, Vx lags Vy by angle θ.

  8. The scale in the diagram below does NOT apply to the resultant vector.

View this question

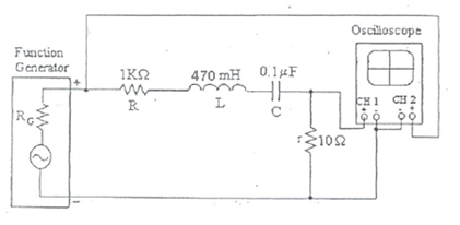
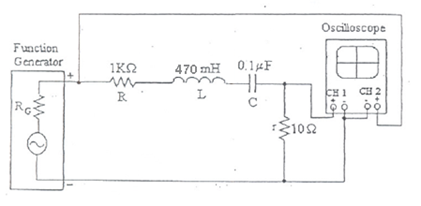
Determine the capacitance (in μF) required for the circuit below to achieve unity power factor correction (cos θ =1). Assume a function generator frequency of 1 kHz.

(Note: The calculated capacitance will be placed in parallel with the RLC network. Assume the 10 ohm resistor is negligible.)

DO NOT INCLUDE YOUR UNITS IN THE ANSWER AS THIS QUIZ QUESTION GRADES ONLY NUMERICAL VALUES.

View this question

POWER FACTOR is the ratio between the useful (true) power (kW) to the total (apparent) power (kVA) consumed by an item of a.c. electrical equipment or a complete electrical installation. It is a measure of how efficiently electrical power is converted into useful work output. The ideal power factor is unity, or one. Anything less than one means that extra power is required to achieve the actual task at hand.

100%
0%
View this question

Determine the existing power factor (no units) of the circuit shown below. Assume a function generator frequency of 1 kHz.

(Note: Assume the 10 ohm resistor is negligible.)

View this question

Want instant access to all verified answers on myelearning.sta.uwi.edu?

Get Unlimited Answers To Exam Questions - Install Crowdly Extension Now!

Browser

Add to Chrome