logo

Crowdly

Browser

Add to Chrome

ECNG1006 : Laboratory and Project Design I (Semester II- 2024/2025)

Looking for ECNG1006 : Laboratory and Project Design I (Semester II- 2024/2025) test answers and solutions? Browse our comprehensive collection of verified answers for ECNG1006 : Laboratory and Project Design I (Semester II- 2024/2025) at myelearning.sta.uwi.edu.

Get instant access to accurate answers and detailed explanations for your course questions. Our community-driven platform helps students succeed!

The phase angle between two sine waves can be determined from the Lissajous plot of these two waveforms when the oscillloscope is set to X-Y mode. The phase angle θ = sin-1(A/B) where A and B are defined in the diagram below.

Determine the phase angle (in degrees) using the Lissajous plot on the oscilloscope screen below.

DO NOT INCLUDE YOUR UNITS IN THE ANSWER AS THIS QUIZ QUESTION GRADES ONLY NUMERICAL VALUES.

The oscilloscope settings are as follows:

CH1: 5 Volts / DIV

CH2: 5 Volts / DIV

View this question

Match the reactance of the component with its behaviour as the source frequency is increased.

ZC - impedance of capacitor

ZL - impedance of inductor

ZR - impedance of resistor

View this question

Determine the phase angle (in degrees) between the two sine waves displayed on the oscilloscope screen below.

DO NOT INCLUDE YOUR UNITS IN THE ANSWER AS THIS QUIZ QUESTION GRADES ONLY NUMERICAL VALUES.

The oscilloscope settings are as follows:

CH1: 5 Volts / DIV

CH2: 5 Volts / DIV

Time/DIV: 0.2 ms / DIV

View this question

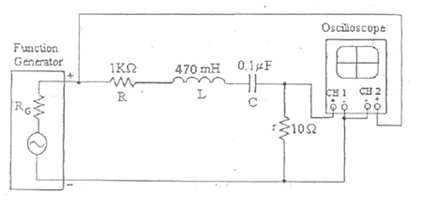
Calculate the frequency (in Hz) at which series resonance occurs for the circuit shown below. 

DO NOT INCLUDE YOUR UNITS IN THE ANSWER AS THIS QUIZ QUESTION GRADES ONLY NUMERICAL VALUES.

View this question

The resonance of a series RLC circuit occurs when the inductive and capacitive reactances are equal in magnitude. These reactances therefore cancel each other because they are 180 degrees apart in phase. The cancelling of the reactances of L and C causes the RLC circuit to behave like a simple resistor of the magnitude of its R value. The circuit impedance is lowest at the resonant frequency and hence the current flow through the device is maximized at resonance. 

100%
0%
View this question

Want instant access to all verified answers on myelearning.sta.uwi.edu?

Get Unlimited Answers To Exam Questions - Install Crowdly Extension Now!

Browser

Add to Chrome