logo

Crowdly

Browser

Add to Chrome

271 Річковий та морський транспорт ОС - Бакалавр

Looking for 271 Річковий та морський транспорт ОС - Бакалавр test answers and solutions? Browse our comprehensive collection of verified answers for 271 Річковий та морський транспорт ОС - Бакалавр at train.edki.gov.ua.

Get instant access to accurate answers and detailed explanations for your course questions. Our community-driven platform helps students succeed!

На схемі, що представлена на рисунку, трансформатор TV2 знеструмлений, а автоматичні вимикачі QF4 та QF6 вимкнені (Open) та заземлені. Усі інші автоматичні та секційні вимикачі ввімкненні (Close). Яка дія буде наступною з точки зору дотримання заходів безпеки підчас безпечного введення в дію трансформатору TV2 після: 1. Від'єднання QF6 від заземлення, блокування ввімкнення та попереджувальні повідомлення "Не вмикати, працюють люди!" залишаються; 2. Розблокування та зняття заземлення QF4 та шинопроводів, скидання всіх реле захисту?

11

0%
0%
0%
0%
View this question

На рисунку показаний шильд високовольтного двигуна, що використовується в гребних електричних установках з перетворювачами частоти. Що означає позначка "Ex nA" у відповідності до вимог використання в небезпечних зонах?

1

View this question

Яка з наведених схем є схемою з’єднання споживачів зіркою, а яка - трикутником?

1

View this question

Який спосіб розподілу електроенергії, із заземленою через обладнання нейтраллю, представлений на рисунку?

1

0%
0%
0%
View this question

На рисунку зображена структура електроенергетичної системи судна, де прийняті наступні скорочення: АГ - аварійний генератор; АП - автоматичний перемикач; АРЩ - аварійний розподільчий щит; Г1-4 - генератори 1-4. У якому стані повинні знаходитись автоматичні вимикачі 1, 2 та 3 у нормальному режимі роботи електроенергетичної системи на ходу судна?

1

View this question

З векторної діаграми явнополюсного синхронного генератора витікає зв'язок поміж кутами 1, де 1- кут навантаження. Між якими векторами на векторній діаграмі вказують кут навантаження 1?

1

View this question

За допомогою яких схем підключення вимірювальних приладів можна зробити вимір потужності резистора R1?

1

0%
0%
0%
0%
View this question

У суднових високовольтних системах найчастіше застосовується резистор заземлення нейтралі “NER” (Neutral Earth Resistor). Який буде максимальний струм в резисторі "NER" при замиканні на землю однієї з фаз генератора (6600 В, потужністю 1000 кВт, cos фі 0,8) з резистором заземлення нейтралі 500 Ом?

1

0%
0%
0%
0%
View this question

Визначте, яке живлення отримує контролер котушки низької напруги автоматичного вимикача генератора за наведеною електричною схемою керування?

1

View this question

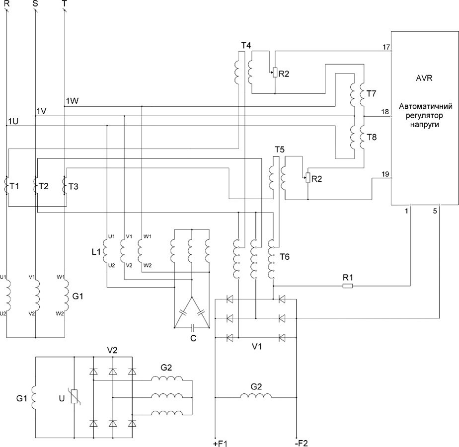
На рисунку представлений фрагмент принципової схеми самозбудження та регулювання напруги суднового синхронного генератору, яка працює за принципом амплітудно-фазового компаундування. Яке позиційне позначення на схемі присвоєно вимірювальному трансформатору струму?

1

View this question

Want instant access to all verified answers on train.edki.gov.ua?

Get Unlimited Answers To Exam Questions - Install Crowdly Extension Now!

Browser

Add to Chrome