logo

Crowdly

Browser

Add to Chrome

Електроживлення пристроїв та систем

Looking for Електроживлення пристроїв та систем test answers and solutions? Browse our comprehensive collection of verified answers for Електроживлення пристроїв та систем at vns.lpnu.ua.

Get instant access to accurate answers and detailed explanations for your course questions. Our community-driven platform helps students succeed!

Які гілки даної схеми можуть стати шляхом

проникнення кондуктивної завади для чутливого навантаження?

0%
0%
0%
0%
View this question

Якою буде постійна складова на виході

двопівперіодного випрямляча з індуктивним фільтром при подачі на нього

періодичної послідовності імпульсів з параметрами:

Um=20 B, T=0,5 мс, τ=0,1 мс? Прийняти, що ωL>>RH.

View this question

Яким повинно бути співвідношення між номіналами

елементів схеми LC фільтра?

View this question

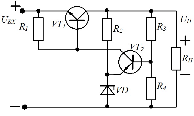
Чому дана схема стабілізатора напруги не буде

працювати?

0%
0%
0%
0%
View this question

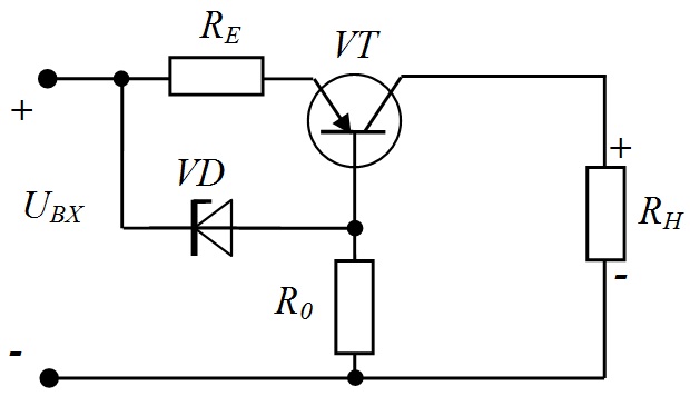
Представлена на рисунку схема дозволяє реалізувати

View this question

На якому рисунку наведено осцилограму напруги на

навантаженні для цієї схеми при умові, що 1/ωС

<<RH?

0%
0%
0%
0%
View this question

Напруга

на виході лінійного стабілізатора 8 В при номінальному значенні вхідної

напруги 12 В. Зміна вхідної напруги на 3 В призводить до зміни вихідної на

15 мВ. Визначити коефіцієнт стабілізації. Заокруглити до цілих.

View this question

На рисунку представлена схема:

0%
0%
100%
0%
0%
View this question

Форма напруги на виході згладжувального фільтра, який

підключено до виходу однофазного мостового випрямляча представлена на рисунку.

U

0 = 30B;  2Um

=

800 мB. Розрахуйте коефіцієнт згладжування фільтра.

0%
100%
0%
0%
0%
View this question

На якому рисунку наведено осцилограму напруги на

навантаженні для цієї схеми при умові, що ω

L>>RH?

0%
0%
100%
0%
0%
View this question

Want instant access to all verified answers on vns.lpnu.ua?

Get Unlimited Answers To Exam Questions - Install Crowdly Extension Now!

Browser

Add to Chrome