logo

Crowdly

Browser

Add to Chrome

Схемотехніка пристроїв технічного захисту інформації [03752]

Looking for Схемотехніка пристроїв технічного захисту інформації [03752] test answers and solutions? Browse our comprehensive collection of verified answers for Схемотехніка пристроїв технічного захисту інформації [03752] at vns.lpnu.ua.

Get instant access to accurate answers and detailed explanations for your course questions. Our community-driven platform helps students succeed!

Різниця потенціалів, що виникає між протилежними об’ємними зарядами поблизу межі п- і р-ділянок називається

View this question

Тепловий струм p-n-переходу, виготовленого на основі кремнію, у порівнянні з тепловим струмом p-n-переходу, виготовленого на основі германію є

View this question

Зі збільшенням концентрації дірок рівень Фермі наближається до

View this question

Як називається ділянка р-п-переходу, в яку інжектуються неосновні для цієї ділянки носії заряду?

View this question

Як змінюється дифузійна ємність р-п-переходу зі збільшенням прямого струму?

0%
0%
View this question
Яке співвідношення між струмами виконується в p-n-переході у стані термодинамічної рівноваги?
View this question

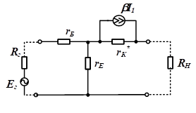
В еквівалентній схемі

заміщення, поданій на рисунку,  

біполярний транзистор

має наступні

значення власних параметрів:

rБ

=200

Ом,

rЕ=50 Ом, rK

=500

кОм і

β

=39. Опір

резистора навантаження RН

=5

кОм, внутрішній опір джерела сигналу

Rг

=10

Ом. Визначити вхідний опір підсилювального каскаду.

Відповідь

надати у вигляді числа від 1 до 999 і одиницями вимірювання з відповідними приставками

кратності або частинності

View this question

Процес утворення вільного електрона і дірки в напівпровіднику називається

0%
0%
0%
View this question

Де розміщений рівень Фермі у домішкових напівпровідниках р-типу

0%
0%
0%
View this question

Рівні енергії вільних електронів належать до

0%
0%
0%
View this question

Want instant access to all verified answers on vns.lpnu.ua?

Get Unlimited Answers To Exam Questions - Install Crowdly Extension Now!

Browser

Add to Chrome