logo

Crowdly

Browser

Add to Chrome

Схемотехніка пристроїв технічного захисту інформації [03752]

Looking for Схемотехніка пристроїв технічного захисту інформації [03752] test answers and solutions? Browse our comprehensive collection of verified answers for Схемотехніка пристроїв технічного захисту інформації [03752] at vns.lpnu.ua.

Get instant access to accurate answers and detailed explanations for your course questions. Our community-driven platform helps students succeed!

Рух носіїв заряду у напівпровіднику внаслідок існування градієнту концентрацій називається

View this question

Домішки, атоми яких відбирають електрони і створюють в напівпровіднику діркову електропровідність, називають

0%
0%
View this question
Питомий електричний опір напівпровідників у разі зростання температури
0%
0%
0%
View this question

Рухомі носії заряду це

0%
0%
0%
View this question

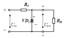
Для стабілізатора напруги, поданого на рисунку, розрахувати коефіцієнт

стабілізації. Дано:

Uвх=20 В; RН

=2

кОм;

Uст=10 В; Іст=5 мА,
rд=10 Ом.

View this question

Для схеми, поданої на рисунку,

визначити вхідний опір. Дано:

Rвх.д

=200

кОм;

RвихОП=200 Ом, KU0=104

,

R1=1 кОм, Rзз=99 кОм.

Відповідь

надати у вигляді числа

від 1 до 999

і одиницями

вимірювання з відповідними приставками кратності або частинності

View this question

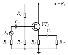
Для наведеної схеми підсилювального каскаду розрахувати коефіцієнт

підсилення за напругою. Дано:

Uвідс

2

В, 

Smax=10 мА/В, RВ=1 кОм, RС=2 кОм, RН=5 кОм, rСВ=100 кОм, якщо UЗВ= –0,6 В.

View this question

Для наведеної схеми підсилювального

каскаду розрахувати вхідний опір. Дано:

RЕ=4 кОм, RН=4 кОм, R1=8,2 кОм,  R2=21 кОм, Rг=1 кОм, β=100, h11Е=500 Ом, h22Е=330 мкСм, h12Е=5×10-4

Відповідь

надати у вигляді числа

від

1 до 999

і одиницями вимірювання з відповідними

приставками кратності або частинності

View this question

В еквівалентній схемі заміщення, поданій на рисунку,  біполярний транзистор

має наступні значення власних параметрів:

rБ

=500

Ом,

rЕ=45 Ом, rK

=1

МОм і a=0,97. Опір

резистора навантаження RН

=2 кОм, внутрішній опір

джерела сигналу

Rг

=500 Ом.

Визначити

коефіцієнт підсилення за струмом цього транзистора.

View this question

Коефіцієнт підсилення RC–підсилювача на середніх частотах Kср

=100, нижня гранична

частота смуги пропускання

fн

=200

Гц, верхня

fв

=30 кГц. До

підсилювача підключене коло ВЗЗ з

bзз

=0,1. Визначити коефіцієнт

підсилення підсилювача, охопленого ВЗЗ, а також нові значення нижньої

fн¢ і верхньої  fв¢ граничних частот і смугу пропускання підсилювача.

Відповідь

надати у вигляді числа

від 1 до 999

і одиницями

вимірювання з відповідними приставками кратності або частинності

View this question

Want instant access to all verified answers on vns.lpnu.ua?

Get Unlimited Answers To Exam Questions - Install Crowdly Extension Now!

Browser

Add to Chrome