logo

Crowdly

Browser

Add to Chrome

04-ETTI-L-A3-S2: METc-laborator-toate seriile (TS - 2024)

Looking for 04-ETTI-L-A3-S2: METc-laborator-toate seriile (TS - 2024) test answers and solutions? Browse our comprehensive collection of verified answers for 04-ETTI-L-A3-S2: METc-laborator-toate seriile (TS - 2024) at curs.upb.ro.

Get instant access to accurate answers and detailed explanations for your course questions. Our community-driven platform helps students succeed!

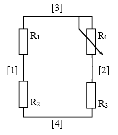
Se da puntea de curent continuu din figura. La echilibru rezistentele au valorile: R1 = 7 k, R2 = 8 k, R3 = 4 k

Sa se determine sensibilitatea puntii daca voltmetrul este conectat pe diagonala 3-4. 

Sa se exprime rezultatul cu trei zecimale dupa virgula.

Puntea de curent continuu

View this question

Sa se determine factorul de calitate al unui bobine, care are Ls = 13 mH si Rs = 80 Ohm, la frecventa f=2 kHz.

View this question

Se da un condensator, care are capacitatea modelului serie Cs = 18 nF si factorul de calitate Q = 7.

Sa se determine valoarea capacitatii modelului paralel, Cp.

Sa se exprime rezultatul in nF, cu doua zecimale.

View this question

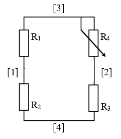
Se da puntea de curent continuu din figura. La echilibru rezistentele au valorile: R1 = 9 k, R2 = 7 k, R3 = 3 k

Sa se determine sensibilitatea puntii daca voltmetrul este conectat pe diagonala 1-2. 

Sa se exprime rezultatul cu trei zecimale dupa virgula.

Puntea de curent continuu

View this question

Se da un condensator, care are capacitatea modelului serie Cs = 18 nF si factorul de calitate Q = 4.

Sa se determine valoarea capacitatii modelului paralel, Cp.

Sa se exprime rezultatul in nF, cu doua zecimale.

View this question

Sa se determine factorul de calitate al unui bobine, care are Ls = 20 mH si Rs = 76 Ohm, la frecventa f=7 kHz.

View this question

Se da puntea de curent continuu din figura. Cu aceasta punte se masoara rezistenta R4. La echilibru rezistentele au valorile: R1 = 2 k, R2 = 8 k, R3 = 7 k

Sa se determine rezistenta R4. Sa se exprime rezultatul in k .

Puntea de curent continuu

View this question

Se da un condensator, care are capacitatea modelului paralel Cp = 48 nF si capacitatea modelului serie Cs = 53.333333333333 nF.

Sa se determine factorul de calitate al condensatorului.

View this question

Sa se determine rezistenta modelului paralel pentru o bobina, care are Lp = 2 mH si Q = 6, la frecventa f=1 kHz.

Sa se exprime rezultatul in .

View this question

Un filtru RC trece jos are frecventa de taiere 7 KHz. Condensatrul are capacitatea de valoare 1 nF.

Sa se determine valoarea rezistentei din compunerea filtrului RC. 

Rezultatul va fi exprimat in Ohmi.

View this question

Want instant access to all verified answers on curs.upb.ro?

Get Unlimited Answers To Exam Questions - Install Crowdly Extension Now!

Browser

Add to Chrome