logo

Crowdly

Browser

Add to Chrome

2024/25- 2-TEMPUS-Бортові системи керування та безпеки_залік

Looking for 2024/25- 2-TEMPUS-Бортові системи керування та безпеки_залік test answers and solutions? Browse our comprehensive collection of verified answers for 2024/25- 2-TEMPUS-Бортові системи керування та безпеки_залік at do.kart.edu.ua.

Get instant access to accurate answers and detailed explanations for your course questions. Our community-driven platform helps students succeed!

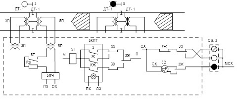
До складу підсилювача УК-25/50М входять: 

смуговий фільтр (50 Гц), чотири

транзисторні каскади: три для попереднього підсилення сигналів АЛСН, вихідний (двохтактний)

каскад – з імпульсним реле ИР, каскад автоматичного регулювання підсилення між другим

та третім каскадами підсилення, схема комутації вхідних кіл підсилювача

0%
0%
View this question

При наближенні поїзда до згаслого прохідного світлофора, на якому

повинний горіти жовтий вогонь, на локомотивному світлофорі горить:

0%
0%
0%
0%
0%
View this question

В САУТ визначення локомотивними пристроями маршрутів прийому на головну та бокову станційні колії здійснюється за рахунок:

0%
0%
0%
View this question

Система САУТ при русі поїзда до світлофору з

забороняючим показанням

забезпечує:

0%
100%
0%
0%
View this question

При послідовному з’єднанні дроселя та конденсатора в контурі за належних

умов виникає явище:

0%
0%
0%
0%
View this question

На дільниці з автономною тягою надійна робота локомотивного приймача забезпечується

при мінімальній величині струму в рейках на вхідному кінці блок-ділянки (рейкового

кола):

0%
0%
0%
100%
View this question

Скільки рівнів технічної реалізації передбачає Концепція побудови Єдиної європейської системи керування рухом поїздів ERTMS/ETCS, ERTMS/GSM-R?

0%
0%
0%
View this question

В пристроях КЛУБ-У швидкість руху та координата поїзда визначається (вказати кілька вірних відповідей):

 

0%
0%
100%
100%
100%
View this question

Призначення модуля маршруту ММ в пристроях КЛУБ-У:

0%
0%
0%
View this question
В системі АЛС-АРС «Днепр» використовуються прохідні колійні світлофори:

0%
100%
0%
0%
View this question

Want instant access to all verified answers on do.kart.edu.ua?

Get Unlimited Answers To Exam Questions - Install Crowdly Extension Now!

Browser

Add to Chrome