logo

Crowdly

Browser

Add to Chrome

Компонентна база та елементи схемотехніки в системах захисту інформації (1 курс, 1р ВО, БІКС, очна)

Looking for Компонентна база та елементи схемотехніки в системах захисту інформації (1 курс, 1р ВО, БІКС, очна) test answers and solutions? Browse our comprehensive collection of verified answers for Компонентна база та елементи схемотехніки в системах захисту інформації (1 курс, 1р ВО, БІКС, очна) at elearning.kubg.edu.ua.

Get instant access to accurate answers and detailed explanations for your course questions. Our community-driven platform helps students succeed!

Функції резисторів у схемотехніці - наступні: 

0%
0%
0%
0%
View this question

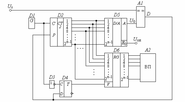
На даному рисунку приведено схему ...

View this question

На даному рисунку приведено схему ...

0%
0%
0%
View this question

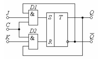
Скинутий стан тригера - це ...

View this question

На рисунку приведено схему ...

схема

0%
0%
0%
View this question

На даному рисунку приведено схему ...

0%
0%
0%
View this question

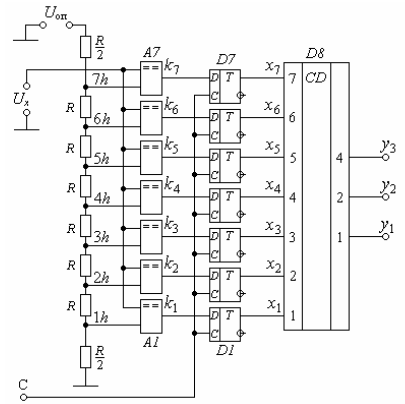
Схема, наведена на рисунку, реалізує операцію...

схема

View this question

У якості статичних запам’ятовувачів у ВІС ОЗП використовуються ...

View this question

В комбінаційних

пристроях  символ на виході ...

View this question

АЦП, побудовані за принципом одноразового перетворення сигналу шляхом його кодування за допомогою набору компараторів, називають ...

0%
0%
0%
View this question

Want instant access to all verified answers on elearning.kubg.edu.ua?

Get Unlimited Answers To Exam Questions - Install Crowdly Extension Now!

Browser

Add to Chrome