logo

Crowdly

Browser

Add to Chrome

Компонентна база та елементи схемотехніки в системах захисту інформації (1 курс, 1р ВО, БІКС, очна)

Looking for Компонентна база та елементи схемотехніки в системах захисту інформації (1 курс, 1р ВО, БІКС, очна) test answers and solutions? Browse our comprehensive collection of verified answers for Компонентна база та елементи схемотехніки в системах захисту інформації (1 курс, 1р ВО, БІКС, очна) at elearning.kubg.edu.ua.

Get instant access to accurate answers and detailed explanations for your course questions. Our community-driven platform helps students succeed!

На рисунку нижче привежена схема...

схема

View this question

RS-тригер,  реалізований на логічних елементах 2АБО-НЕ при обох нульових входах R = 0 та S = 0 ...

View this question

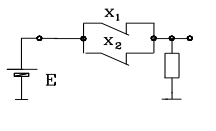
Наведена схема ілюструє

реалізацію операції ...

схема

0%
0%
View this question

Якщо асинхронний RS-тригер доповнити синхронізуючим входом, одержимо ...

0%
0%
View this question

Як перетворити синхронний CRS-тригер в асинхронний?

0%
0%
View this question

Кодова

комбінація на вході шифратора має ...

0%
0%
View this question

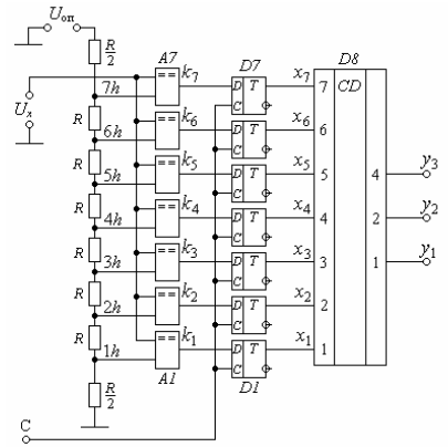
На даному рисунку приведено схему ...

0%
0%
0%
View this question

Відношення реактивного опору котушки до її активного опору втрат - це

View this question

RS-тригер,  реалізований на логічних елементах 2АБО-НЕ при обох одиничних входах R = 1 та S = 1 ...

0%
0%
0%
View this question

Діод, який перетворює електричну енергію на енергію некогерентного світлового випромінювання, називається ...

View this question

Want instant access to all verified answers on elearning.kubg.edu.ua?

Get Unlimited Answers To Exam Questions - Install Crowdly Extension Now!

Browser

Add to Chrome