logo

Crowdly

Browser

Add to Chrome

Компонентна база та елементи схемотехніки в системах захисту інформації (1 курс, 1р ВО, БІКС, очна)

Looking for Компонентна база та елементи схемотехніки в системах захисту інформації (1 курс, 1р ВО, БІКС, очна) test answers and solutions? Browse our comprehensive collection of verified answers for Компонентна база та елементи схемотехніки в системах захисту інформації (1 курс, 1р ВО, БІКС, очна) at elearning.kubg.edu.ua.

Get instant access to accurate answers and detailed explanations for your course questions. Our community-driven platform helps students succeed!

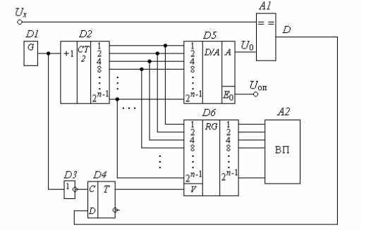
На даному рисунку приведено схему ...

0%
0%
0%
View this question

Власна ємність  котушки індуктивності

View this question

Назвіть h-параметри транзистора. 

View this question

Максимальне відхилення точки реальної характеристики перетворення від ідеальної називається ...

0%
0%
View this question

Конденсатори постійної ємності застосовуються для:

View this question

Відхилення вхідної напруги в будь-якій точці ХП АЦП від величини, визначеної за ідеальною ХП у цій же точці, називається ...

0%
0%
0%
View this question

За функціональним призначенням цифрові мікросхеми поділяються на ... 

0%
0%
0%
View this question

Операція вибору із неперервного за часом аналогового сигналу Uс  його окремих миттєвих значень, які надходять через визначений часовий проміжок, називається ...

View this question

Який параметр характеризує електричну міцність резистора?

0%
0%
0%
View this question

На даному графіку зображена ...

View this question

Want instant access to all verified answers on elearning.kubg.edu.ua?

Get Unlimited Answers To Exam Questions - Install Crowdly Extension Now!

Browser

Add to Chrome