logo

Crowdly

Browser

Add to Chrome

Компонентна база та елементи схемотехніки в системах захисту інформації (1 курс, 1р ВО, БІКС, очна)

Looking for Компонентна база та елементи схемотехніки в системах захисту інформації (1 курс, 1р ВО, БІКС, очна) test answers and solutions? Browse our comprehensive collection of verified answers for Компонентна база та елементи схемотехніки в системах захисту інформації (1 курс, 1р ВО, БІКС, очна) at elearning.kubg.edu.ua.

Get instant access to accurate answers and detailed explanations for your course questions. Our community-driven platform helps students succeed!

Код, у якому в кожен момент часу тільки одна з двійкових змінних дорівнює

одиниці, а решта – нулю, називається ... 

0%
0%
View this question

JK-тригери ...

View this question

На рисунку приведено умовне позначення ...

схема

View this question

Чи можуть бути джерелами завад кола живлення і заземлення?

0%
0%
View this question

Які запам’ятовувальні пристрої використовують у ролі запам’ятовувачів тригери?

0%
0%
View this question

При передаванні цифрових сигналів на відстань ...

View this question

схема

Якщо на обох входах даної схеми будуть наявні логічні одиниці, то на виході буде

View this question

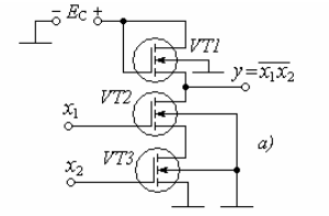
Схема, наведена на рисунку, реалізує операцію...

схема

View this question

Want instant access to all verified answers on elearning.kubg.edu.ua?

Get Unlimited Answers To Exam Questions - Install Crowdly Extension Now!

Browser

Add to Chrome