logo

Crowdly

Browser

Add to Chrome

Компонентна база та елементи схемотехніки в системах захисту інформації (1 курс, 1р ВО, БІКС, очна)

Looking for Компонентна база та елементи схемотехніки в системах захисту інформації (1 курс, 1р ВО, БІКС, очна) test answers and solutions? Browse our comprehensive collection of verified answers for Компонентна база та елементи схемотехніки в системах захисту інформації (1 курс, 1р ВО, БІКС, очна) at elearning.kubg.edu.ua.

Get instant access to accurate answers and detailed explanations for your course questions. Our community-driven platform helps students succeed!

ЗП, у яких звернення виконується за певними ознаками самої

інформації, що міститься в запам’ятовувачі ЗП, - це ...

View this question

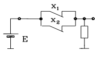
Наведена схема ілюструє

реалізацію операції ...

схема

View this question

p-n-р транзистор - це транзистор ...

View this question

Напівпровідниковий прилад, який складається, як правило, із двох p-n переходів, називається ...

View this question

Назвіть режими роботи біполярного транзистора.

0%
0%
0%
0%
View this question

Відношення зміни вихідного струму біполярного транзистора до зміни

вхідного струму - це ...коефіцієнт передачі по

струму

View this question

Чи залежить ємність конденсатора  від матеріалу діелектрика?

0%
0%
View this question

До індуктивних компонентів відносять:

0%
0%
0%
View this question

Елемент, призначений для

одержання різних за амплітудою, потужністю і фазою змінних напруг - це

0%
0%
0%
View this question

Система нерухливих пластин конденсатора змінної ємності - це

View this question

Want instant access to all verified answers on elearning.kubg.edu.ua?

Get Unlimited Answers To Exam Questions - Install Crowdly Extension Now!

Browser

Add to Chrome