logo

Crowdly

Browser

Add to Chrome

Компонентна база та елементи схемотехніки в системах захисту інформації (1 курс, 1р ВО, БІКС, очна)

Looking for Компонентна база та елементи схемотехніки в системах захисту інформації (1 курс, 1р ВО, БІКС, очна) test answers and solutions? Browse our comprehensive collection of verified answers for Компонентна база та елементи схемотехніки в системах захисту інформації (1 курс, 1р ВО, БІКС, очна) at elearning.kubg.edu.ua.

Get instant access to accurate answers and detailed explanations for your course questions. Our community-driven platform helps students succeed!

Джерелами

еталонної напруги в схемах, де вимагається висока ступінь стабілізації напруги, як правило, служать ...

0%
0%
View this question

Негативний електрод діода, в якому основними носіями заряду є електрони - це ...

View this question

Назвіть основні характеристики напівпровідникових стабілітронів.

View this question

Позитивний електрод діода, в якому основними носіями заряду є дірки - це...

0%
0%
View this question

Потенційні цифрові мікросхеми реагують на ...

View this question

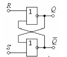
На рисунку нижче наведена базова схема ...

схема

0%
0%
View this question

Тригери багатотактової дії відносяться до ...

View this question

Які запам’ятовувальні пристрої використовують у ролі запам’ятовувачів конденсатори?

View this question

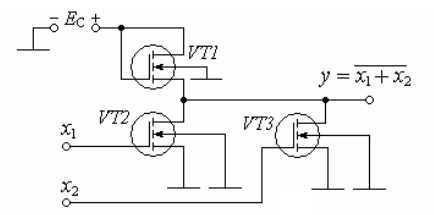
схема

На виході даної схеми буде логічна одиниця, якщо ... 

0%
0%
0%
0%
View this question

Невикористані входи схем АБО в будь-яких серіях треба підключати ...

0%
View this question

Want instant access to all verified answers on elearning.kubg.edu.ua?

Get Unlimited Answers To Exam Questions - Install Crowdly Extension Now!

Browser

Add to Chrome