logo

Crowdly

Browser

Add to Chrome

Компонентна база та елементи схемотехніки в системах захисту інформації (1 курс, 1р ВО, БІКС, очна)

Looking for Компонентна база та елементи схемотехніки в системах захисту інформації (1 курс, 1р ВО, БІКС, очна) test answers and solutions? Browse our comprehensive collection of verified answers for Компонентна база та елементи схемотехніки в системах захисту інформації (1 курс, 1р ВО, БІКС, очна) at elearning.kubg.edu.ua.

Get instant access to accurate answers and detailed explanations for your course questions. Our community-driven platform helps students succeed!

На даному рисунку приведено схему ...

0%
0%
0%
View this question

АЦП, в яких спочатку відбувається визначення старших розрядів вихідного числаа потім виділяється залишок аналогового сигналу, називають ...

0%
0%
View this question

Чи залежить крок квантування в ЦАП на матриці R-2R  від максимальної вихідної напруги?

0%
0%
View this question

Відхилення дійсних значень кроків квантування ХП АЦП від їхнього середнього значення, називається ...

0%
0%
0%
0%
View this question

Наступний вираз відповідає ...

формула

View this question

Назвіть функції, які складають функціонально

повний набір логічних функцій

0%
0%
0%
View this question

Параметр, що вказує, яка

кількість тригерів з боку тактового входу С може бути підключена до типового

елемента без порушення його працездатності, називається ...

View this question

Якщо до D-входу D-тригера підвести нуль і подати на С-вхід фронт, то до тригера запишеться ...

View this question

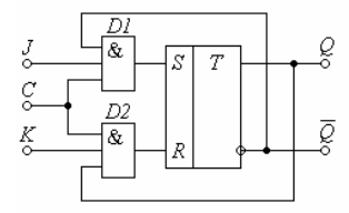
На рисунку приведено схему ...

схема

View this question

Перевагами транзисторно-транзисторної логіки є:

View this question

Want instant access to all verified answers on elearning.kubg.edu.ua?

Get Unlimited Answers To Exam Questions - Install Crowdly Extension Now!

Browser

Add to Chrome