logo

Crowdly

Browser

Add to Chrome

Компонентна база та елементи схемотехніки в системах захисту інформації (1 курс, 1р ВО, БІКС, очна)

Looking for Компонентна база та елементи схемотехніки в системах захисту інформації (1 курс, 1р ВО, БІКС, очна) test answers and solutions? Browse our comprehensive collection of verified answers for Компонентна база та елементи схемотехніки в системах захисту інформації (1 курс, 1р ВО, БІКС, очна) at elearning.kubg.edu.ua.

Get instant access to accurate answers and detailed explanations for your course questions. Our community-driven platform helps students succeed!

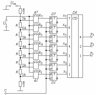
На даному рисунку приведено схему ...

0%
0%
0%
View this question

Напівпровідниковий діод, зворотний струм якого залежить від освітлення, називається 

View this question

Операція заміни значень аналогового сигналу на найближчі до них номери рівнів квантування, називається ...

0%
0%
0%
View this question

Операція утворення сітки  рівнів квантування, які зсунені один відносно одного на крок квантування h, називається ...

View this question

Різниця між максимальним та мінімальним значеннями вхідної напруги АЦП, називається ...

0%
0%
0%
0%
View this question

Електровакуумним прилад, який містить термокатод прямого розжарення, та аноди, покриті люмінофором, називається ...

0%
0%
View this question

Напівпровідниковий прилад, що містить світловипромінювач та світлоприймач, називається ...

View this question

Напруга включення фототиристора зі збільшенням освітлення ...

0%
0%
0%
View this question

Випромінювальний прилад, який перетворює електричну енергію на когерентне світлове випромінювання, називається ...

View this question

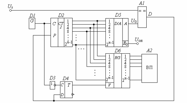
На даному рисунку приведено схему ...

0%
0%
View this question

Want instant access to all verified answers on elearning.kubg.edu.ua?

Get Unlimited Answers To Exam Questions - Install Crowdly Extension Now!

Browser

Add to Chrome