logo

Crowdly

Browser

Add to Chrome

ECE3161 Analogue Electronics - MUM S2 2025

Looking for ECE3161 Analogue Electronics - MUM S2 2025 test answers and solutions? Browse our comprehensive collection of verified answers for ECE3161 Analogue Electronics - MUM S2 2025 at learning.monash.edu.

Get instant access to accurate answers and detailed explanations for your course questions. Our community-driven platform helps students succeed!

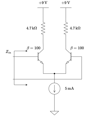
Q1.  Determine the input impedance of the differential pair

What is the input impedance Z_{in}Z_{in} of the differential pair at temperature 300K. Assume both transistor are identical. 

0%
0%
0%
100%
0%
View this question

Q10. Determine the output noise voltage

The circuit below shows a biased diode, and the voltage drop across the diode is 0.7V. 

The diode has the following equivalent small signal circuit including its shot noise due to current flow through it.

 

The diode's small signal resistance, 25\Omega25\Omega, does not generate any noise as it is a fictitious one representing the model . The diode's PN junction store charges, and hence 400\text{pF}400\text{pF} capacitance appears . The diode's noise is mainly due to its shot noise as shown above . The 1\text{k}\Omega1\text{k}\Omega resistor will generate thermal noise as usual. The circuit operates at 300K temperature. What is the output RMS noise voltage measured at \text{V}_{out}\text{V}_{out} from DC to infinity frequency range? 

Hint: You may need to know that the noise equivalent bandwidth of a single pole filter is \frac{\pi}{2}\frac{\pi}{2} its bandwidth. 

0%
0%
0%
0%
0%
View this question

Q7. Determine the RMS noise voltage at the output 

Consider the inverting amplifier below. Assume the ONLY noise source is due to the op-amps input noise spectral density e_n = 5\text{nV}/\sqrt{\text{Hz}}e_n = 5\text{nV}/\sqrt{\text{Hz}} (assume, except for this noise, the op-amp is ideal). That means the resistors 1\text{k}\Omega1\text{k}\Omega and 10\text{k}\Omega10\text{k}\Omega are NOISELESS. If the amplifier operates in the region 400Hz to 19kHz, what the RMS noise spectral density (in \text{nV}/\sqrt{\text{Hz}}\text{nV}/\sqrt{\text{Hz}}) of the output.

View this question

Q9. Determine the output noise power

An amplifier with gain 10dB and a noise figure of 3dB is fed with an input signal P_{in}P_{in}=-80dBm and noise N_{in}N_{in}=-100dBm as shown below. What is the output noise power, N_{out}N_{out}(dBm)?

View this question

Q8. Determine the output SNR

An amplifier with gain 10dB and a noise figure of 3dB is fed with an input signal P_{in}P_{in}=-80dBm and noise N_{in}N_{in}=-100dBm as shown below. What is the output \text{SNR}_{out}\text{SNR}_{out}?

0%
0%
0%
0%
0%
View this question

Q5. Determine the RMS noise voltage at the output 

For the potential divider circuit below, determine the RMS output noise referred to input over the bandwidth from DC to 1KHz at temperature 300K.

View this question

Q4. Determine the RMS noise voltage at the output referred to input

For the potential divider circuit below, determine the RMS output noise referred to input over the bandwidth from DC to 1KHz at temperature 300K.

0%
0%
0%
0%
View this question

Q6. Determine the RMS noise voltage at the output 

For resistive circuit with a noseless signal source V_{sig}V_{sig} below, determine the RMS output noise voltage over an infinite bandwidth at temperature 300K.

View this question

Q10. Determine the oscillation frequency

Consider the oscillator below which is driven by an ideal op-amp.  What is the oscillation frequency in rad/s?

0%
0%
0%
100%
0%
View this question

Q7. Determine the oscillation frequency

Consider the oscillator below which is driven by a dependent current source.  Assuming sufficient g_mg_m there to sustain oscillations, find the oscillation frequency in rad/s?

0%
0%
0%
100%
0%
View this question

Want instant access to all verified answers on learning.monash.edu?

Get Unlimited Answers To Exam Questions - Install Crowdly Extension Now!

Browser

Add to Chrome