logo

Crowdly

Browser

Add to Chrome

Електричні системи та мережі / Electrical systems and networks

Looking for Електричні системи та мережі / Electrical systems and networks test answers and solutions? Browse our comprehensive collection of verified answers for Електричні системи та мережі / Electrical systems and networks at moodle.chnu.edu.ua.

Get instant access to accurate answers and detailed explanations for your course questions. Our community-driven platform helps students succeed!

Втрати активної потужності у обмотках трансформатора визначають з досліду

0%
0%
View this question
У разі активного навантаження у колі змінного струму:
100%
0%
0%
0%
View this question
Зниження втрат активної потужності на корону досягається:
0%
100%
0%
0%
View this question

Сукупність електричних станцій, мереж та споживачів теплової і

електричної енергії, об’єднаних між собою спільними режимами із загальним

диспетчерським керуванням це

0%
0%
View this question

До параметрів режиму відносяться:

0%
100%
View this question
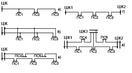
Який тип схеми районних розподільчих мереж представлено на рисунку під літерою г)  
100%
0%
0%
0%
0%
View this question
Який тип схеми районних розподільчих мереж представлено на рисунку під літерою в)  
0%
0%
0%
0%
0%
View this question
Який спосіб прокладання кабелів зображено на рисунку 
0%
100%
0%
0%
0%
View this question
Який тип схеми електричної мережі представлено на рисунку:  
100%
0%
0%
0%
View this question
Який тип схеми електричної мережі представлено на рисунку:  
0%
0%
0%
0%
View this question

Want instant access to all verified answers on moodle.chnu.edu.ua?

Get Unlimited Answers To Exam Questions - Install Crowdly Extension Now!

Browser

Add to Chrome