logo

Crowdly

Browser

Add to Chrome

Електричні системи та мережі / Electrical systems and networks

Looking for Електричні системи та мережі / Electrical systems and networks test answers and solutions? Browse our comprehensive collection of verified answers for Електричні системи та мережі / Electrical systems and networks at moodle.chnu.edu.ua.

Get instant access to accurate answers and detailed explanations for your course questions. Our community-driven platform helps students succeed!

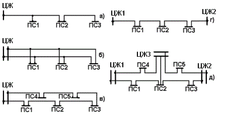
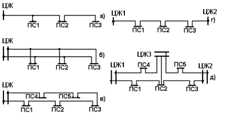
Який тип схеми районних розподільчих мереж представлено на рисунку під літерою д)  
0%
0%
0%
0%
0%
View this question
На рисунку зображено 
0%
100%
0%
0%
View this question
Який тип схеми районних розподільчих мереж представлено на рисунку під літерою а)  
0%
0%
0%
0%
0%
View this question

Електричні установки, в яких електрична енергія

перетворюється на інші види енергії або в електричну енергію з іншими

параметрами (напругою частотою, типом струму) це

50%
0%
50%
0%
View this question

За призначенням можуть бути виділені

0%
0%
0%
0%
0%
100%
0%
0%
View this question

За

природою

струму

електричні мережі діляться на

0%
0%
0%
0%
0%
0%
100%
0%
View this question
Який спосіб прокладання кабелів зображено на рисунку 
0%
0%
0%
100%
0%
View this question
Який тип розташування дротів і тросів на опорах представлено на рисунку г)  
100%
0%
0%
0%
View this question
Який тип розташування дротів і тросів на опорах представлено на рисунку а)  
0%
50%
0%
50%
View this question

Розрахунок на втрату напруги у лініях мережі

0%
0%
0%
100%
0%
View this question

Want instant access to all verified answers on moodle.chnu.edu.ua?

Get Unlimited Answers To Exam Questions - Install Crowdly Extension Now!

Browser

Add to Chrome