logo

Crowdly

Browser

Add to Chrome

25-26 EE2000: Embedded Systems Creative Team Project 2 TERM 1

Looking for 25-26 EE2000: Embedded Systems Creative Team Project 2 TERM 1 test answers and solutions? Browse our comprehensive collection of verified answers for 25-26 EE2000: Embedded Systems Creative Team Project 2 TERM 1 at moodle.royalholloway.ac.uk.

Get instant access to accurate answers and detailed explanations for your course questions. Our community-driven platform helps students succeed!

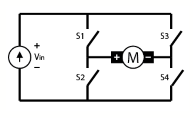
H-Bridge allows forward and reverse movement of motor M by turning ON and OFF switches, S1, S2, S3, S4 in a specific order. Match the below options, 

H-Bridge 

View this question

In the following circuit what is the purpose of using 74HC595 shift register? (tick all that apply, incorrect answers lower mark)

Circuit diagram

50%
50%
50%
0%
View this question

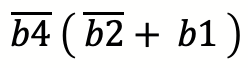
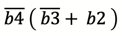
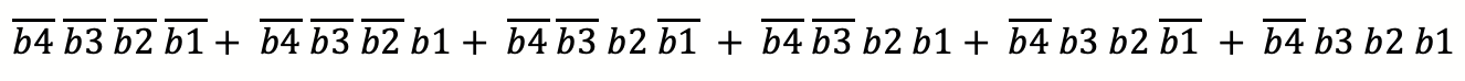
Using boolean algebra the following expression will reduce to, 

Remember in boolean algebra,

 and 

.

0%
0%
0%
0%
View this question

When you click pin PA7 in CubeMX, the following options become available for its configuration. Which option can we select to configure pin PA7 as PWM output? (tick all that apply, incorrect answers lower mark)

CubeMX Configuration

0%
0%
0%
0%
0%
View this question

This question is about ARM STM32 microcontrollers which

 are the most widely used microcontrollers in the

industry for Embedded Systems. These microcontrollers, (tick all that apply, incorrect answers lower mark)

0%
0%
0%
0%
0%
View this question

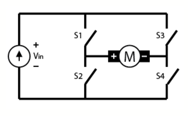
H-Bridge allows forward and reverse movement of motor M by turning ON and OFF switches, S1, S2, S3, S4 in a specific order. Match the below options, 

H-Bridge 

View this question

This question is about Analogue to Digital Converter (ADC), ideally an ADC must sample at a frequency more than twice the highest frequency

present in the analogue signal,

0%
0%
0%
0%
View this question
An Analog to Digital Conversion system has three stages, match them with their correct description,

View this question

In the following circuit what is the purpose of using 74HC595 shift register? (tick all that apply, incorrect answers lower mark)

Circuit diagram

100%
0%
0%
100%
View this question

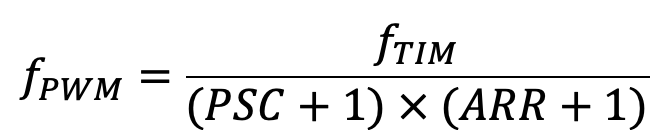
For STM32 timers, PWM frequency is calculated using the following equation, 

Equation

Where:

·      TIM = System clock frequency 

·       PSC = Prescaler value

·       ARR = Counter Period (Auto-Reload Register value) = 5999 

What will be the Prescaler value which will result in PWM time period of 3ms?

View this question

Want instant access to all verified answers on moodle.royalholloway.ac.uk?

Get Unlimited Answers To Exam Questions - Install Crowdly Extension Now!

Browser

Add to Chrome