logo

Crowdly

Browser

Add to Chrome

25-26 EE2000: Embedded Systems Creative Team Project 2 TERM 1

Looking for 25-26 EE2000: Embedded Systems Creative Team Project 2 TERM 1 test answers and solutions? Browse our comprehensive collection of verified answers for 25-26 EE2000: Embedded Systems Creative Team Project 2 TERM 1 at moodle.royalholloway.ac.uk.

Get instant access to accurate answers and detailed explanations for your course questions. Our community-driven platform helps students succeed!

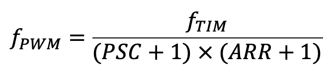
For STM32 timers, PWM frequency is calculated using the following equation, 

Equation

Where:

·      TIM = System clock frequency 

·       PSC = Prescaler value

·       ARR = Counter Period (Auto-Reload Register value) = 5999 

What will be the Prescaler value which will result in PWM time period of 3ms?

View this question

Serial Peripheral Interface (SPI) is used for synchronous serial communication. It has a serial bus comprised of  4 wires as shown in the figure below,  write the missing titles of the three wires in correct order from top to bottom.

View this question

Serial Peripheral Interface (SPI) is used for synchronous serial communication. It has a serial bus comprised of  4 wires as shown in the figure below,  write the missing titles of the three wires in correct order from top to bottom.

View this question

There

are 3 common types of ADC, match them with their respective key characteristics,

View this question

Using boolean algebra the following expression will reduce to, 

Remember in boolean algebra,

 and 

.

0%
0%
100%
0%
View this question

There are different Universal Asynchronous Receiver/Transmitter (UART) transmission modes depending on the capability of the device. Match the following.

View this question

This question is about Stages of Embedded System Development. One of the stages is the System Design Phase which involves, (tick all that apply, incorrect answers lower mark)

0%
0%
0%
0%
View this question

Which of the following statements is true? (tick all that apply, incorrect answers lower mark)

0%
0%
0%
0%
View this question
Which of the following statements concerning an interrupt is true? (tick all that apply, incorrect answers lower mark)

0%
0%
0%
0%
0%
0%
View this question

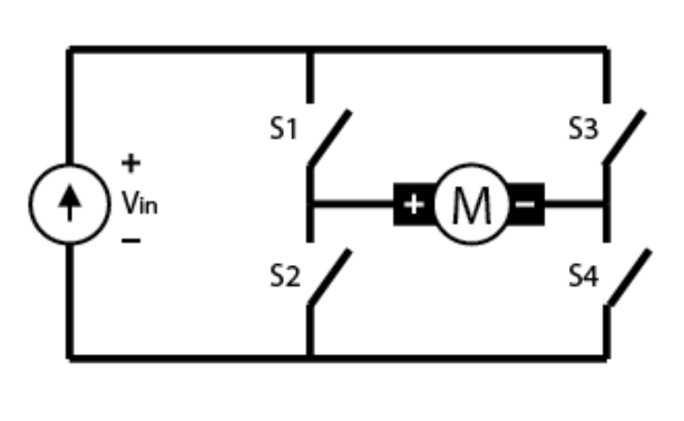
H-Bridge allows forward and reverse movement of motor M by turning ON and OFF switches, S1, S2, S3, S4 in a specific order. Match the below options, 

H-Bridge 

View this question

Want instant access to all verified answers on moodle.royalholloway.ac.uk?

Get Unlimited Answers To Exam Questions - Install Crowdly Extension Now!

Browser

Add to Chrome