logo

Crowdly

Browser

Add to Chrome

Dinámica de sistemas

Looking for Dinámica de sistemas test answers and solutions? Browse our comprehensive collection of verified answers for Dinámica de sistemas at moodle.upm.es.

Get instant access to accurate answers and detailed explanations for your course questions. Our community-driven platform helps students succeed!

Una red de retraso de fase tiene como función de transferencia . Si R1 = 3 kΩ y R2 = 2kΩ, ¿cuál será el incremento final de la tensión de salida us(t) tras aplicar un escalón de 2V a la tensión de entrada ue(t)?

View this question

0%
0%
0%
View this question

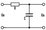
Aplicando el concepto de impedancia  operacional. La función de transferencia entre la Entrada Ue y la salida Ua es:

View this question

Aplicando el concepto de impedancia  operacional. El valor final de Ua cuando en Ue se produce un escalón de 3 unidades (condiciones iniciales nulas) es:

View this question

Calcular la función de transferencia del siguiente sistema, donde la entrada es el

desplazamiento y(t) y la salida es el desplazamiento x(t)

View this question

Want instant access to all verified answers on moodle.upm.es?

Get Unlimited Answers To Exam Questions - Install Crowdly Extension Now!

Browser

Add to Chrome