logo

Crowdly

Browser

Add to Chrome

Теоретична та будівельна механіка: Будівельна механіка (БЦІ). Ч2 ☑️

Looking for Теоретична та будівельна механіка: Будівельна механіка (БЦІ). Ч2 ☑️ test answers and solutions? Browse our comprehensive collection of verified answers for Теоретична та будівельна механіка: Будівельна механіка (БЦІ). Ч2 ☑️ at elearn.nubip.edu.ua.

Get instant access to accurate answers and detailed explanations for your course questions. Our community-driven platform helps students succeed!

Арка, що зображена  на рисунку, є статично визначена система

 

 

 

0%
0%
View this question

Аркою називається

0%
0%
0%
0%
View this question

Кривий брус, який зображений на рисунку, є статично невизначеною конструкцією.

 

 

 

0%
0%
View this question

арка

Для заданої арки реакція НА=0

 

 

0%
0%
View this question

Монтаж трьохшарнірної арки здійснюється за допомогою:

0%
0%
0%
0%
View this question

Арка, що зображена  на рисунку, є два рази статично невизначеною системою

 

 

 

0%
0%
View this question

Задана рама є статично визначеною конструкцією

 

 

0%
0%
View this question

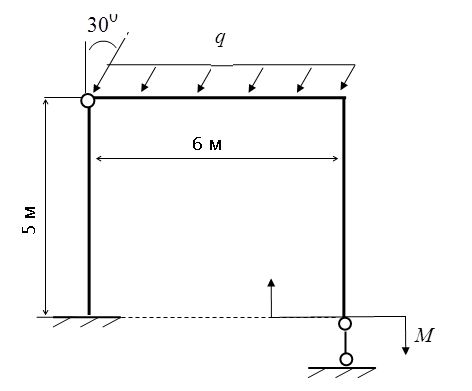
Задана плоска рама з відповідним навантаження (рис. 1).

рис. 1

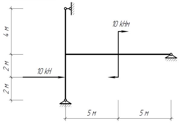
Яка епюра внутрішніх сил зображена для заданої рами на рис. 2, якщо q=10 кН/м, М=10 кНм?

                                            рис. 2

0%
0%
0%
0%
View this question

Задана рама є два рази статично невизначеною конструкцією

 

 

0%
0%
View this question

арка

Для заданої арки реакція VА=10 кН

 

 

0%
0%
View this question

Want instant access to all verified answers on elearn.nubip.edu.ua?

Get Unlimited Answers To Exam Questions - Install Crowdly Extension Now!

Browser

Add to Chrome