logo

Crowdly

Browser

Add to Chrome

Теоретична та будівельна механіка: Будівельна механіка (БЦІ). Ч2 ☑️

Looking for Теоретична та будівельна механіка: Будівельна механіка (БЦІ). Ч2 ☑️ test answers and solutions? Browse our comprehensive collection of verified answers for Теоретична та будівельна механіка: Будівельна механіка (БЦІ). Ч2 ☑️ at elearn.nubip.edu.ua.

Get instant access to accurate answers and detailed explanations for your course questions. Our community-driven platform helps students succeed!

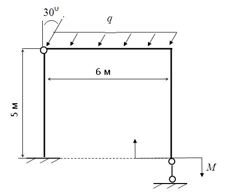
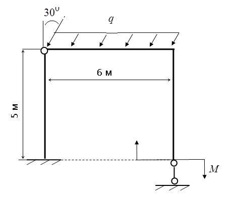
Задана рама є статично визначеною конструкцією

 

 

0%
0%
View this question

арка

Для заданої арки реакція VА=10 кН

 

 

0%
0%
View this question

Монтаж трьохшарнірної арки здійснюється за допомогою способу Діади

 

 

0%
0%
View this question

арка

Чому дорівнює реакція Н для заданої арки, якщо  F=10 кН, q=2 кН/м?

View this question

Задана рама, де q=10кН/м, М=10кНм.

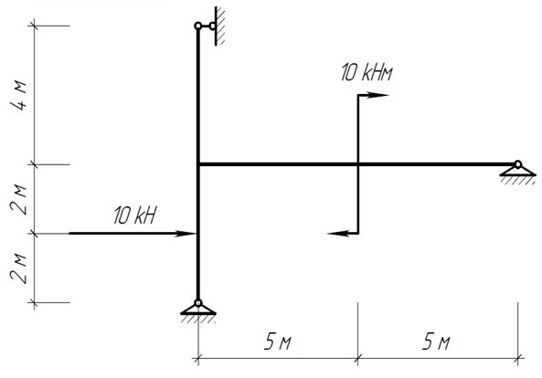
Для заданої рами наведено епюру згинаючого моменту М

 

 

0%
0%
View this question

Який конструкційний елемент споруди називається аркою? (Дайте визначення)

 

View this question

Кривий брус, який зображений на рисунку, є статично невизначеною конструкцією.

 

 

 

0%
0%
View this question

Задана плоска рама є

0%
0%
0%
0%
View this question

арка

Для заданої арки реакція НА=0

 

 

0%
0%
View this question

При побудові епюри повздовжніх сил для кривого бруса всі сили проектуються на дотичний напрям 

 

 

0%
0%
View this question

Want instant access to all verified answers on elearn.nubip.edu.ua?

Get Unlimited Answers To Exam Questions - Install Crowdly Extension Now!

Browser

Add to Chrome