logo

Crowdly

Browser

Add to Chrome

Теоретична та будівельна механіка: Будівельна механіка (БЦІ). Ч2 ☑️

Looking for Теоретична та будівельна механіка: Будівельна механіка (БЦІ). Ч2 ☑️ test answers and solutions? Browse our comprehensive collection of verified answers for Теоретична та будівельна механіка: Будівельна механіка (БЦІ). Ч2 ☑️ at elearn.nubip.edu.ua.

Get instant access to accurate answers and detailed explanations for your course questions. Our community-driven platform helps students succeed!

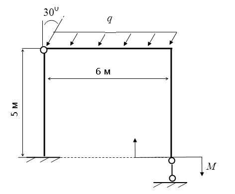
Задана плоска рама є

View this question

Для статично невизначеної рами формула Чебишова має відємний результат, тобто Г<0

 

 

100%
0%
View this question

Задана рама є статично визначеною конструкцією

 

 

100%
0%
View this question

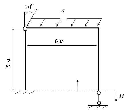
Задана рама, де q=10кН/м, М=10кНм.

Для заданої рами наведено епюру поперечних сил Q

 

 

0%
100%
View this question

Для статично невизначеної рами формула Чебишова має додатній результат, тобто Г>0

 

 

0%
100%
View this question

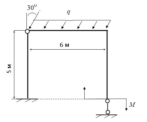
Задана рама, де q=10кН/м, М=10кНм.

Для заданої рами наведено епюру згинаючого моменту М

 

 

0%
100%
View this question

Задана рама, де q=10кН/м, М=10кНм.

Для заданої рами наведено епюру згинаючого моменту М

 

 

0%
100%
View this question

Задана плоска рама є

View this question

Задана рама є статично визначеною конструкцією

 

 

100%
0%
View this question

Want instant access to all verified answers on elearn.nubip.edu.ua?

Get Unlimited Answers To Exam Questions - Install Crowdly Extension Now!

Browser

Add to Chrome