logo

Crowdly

Browser

Add to Chrome

Теоретична та будівельна механіка: Будівельна механіка (БЦІ). Ч2 ☑️

Looking for Теоретична та будівельна механіка: Будівельна механіка (БЦІ). Ч2 ☑️ test answers and solutions? Browse our comprehensive collection of verified answers for Теоретична та будівельна механіка: Будівельна механіка (БЦІ). Ч2 ☑️ at elearn.nubip.edu.ua.

Get instant access to accurate answers and detailed explanations for your course questions. Our community-driven platform helps students succeed!

Підберіть правильні означення:

View this question

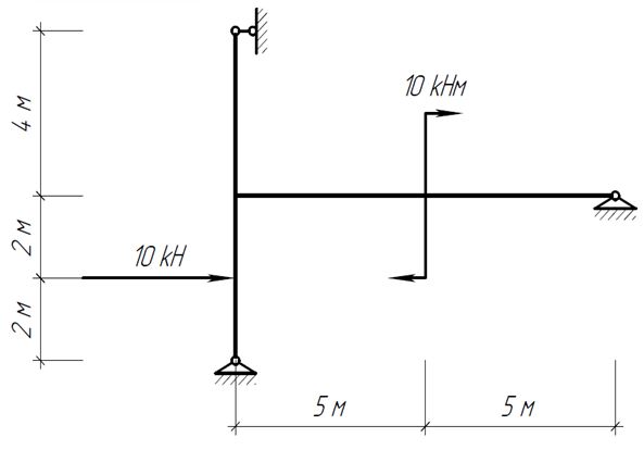
Задана рама є статично визначеною конструкцією

 

 

0%
0%
View this question

арка

Чому дорівнює реакція V для заданої арки, якщо  F=10 кН, q=2 кН/м?

View this question

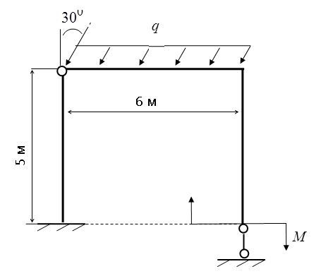
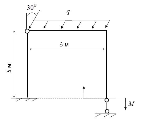
Задана рама, де q=10кН/м, М=10кНм.

Для заданої рами наведено епюру поперечних сил Q

 

 

0%
0%
View this question

Для заданої плоскої рами формула Чебишова рівна:

0%
0%
0%
0%
View this question

Задана плоска рама є

View this question

Задана плоска рама є

View this question

Задана рама є статично визначеною конструкцією

 

 

100%
0%
View this question

Задана плоска рама з відповідним навантаження (рис. 1).

рис. 1

Яка епюра внутрішніх сил зображена для заданої рами на рис. 2, якщо q=10 кН/м, М=10 кНм?

                                            рис. 2

0%
0%
0%
View this question

Задана рама є статично визначеною конструкцією

 

 

0%
100%
View this question

Want instant access to all verified answers on elearn.nubip.edu.ua?

Get Unlimited Answers To Exam Questions - Install Crowdly Extension Now!

Browser

Add to Chrome