logo

Crowdly

Browser

Add to Chrome

25-Mé213-Résistance des matériaux 1

Looking for 25-Mé213-Résistance des matériaux 1 test answers and solutions? Browse our comprehensive collection of verified answers for 25-Mé213-Résistance des matériaux 1 at moodle.ipsa.fr.

Get instant access to accurate answers and detailed explanations for your course questions. Our community-driven platform helps students succeed!

Soit la structure suivante. AB = CD = 2m ; BC = 3m.

T 2D 11 (PFS 8)

1) Calculer les réactions aux appuis.

2) Calculer les torseurs de cohésion.

0%
0%
View this question

Quelle est l'unité du Module de Coulomb d'un matériau déformable

View this question

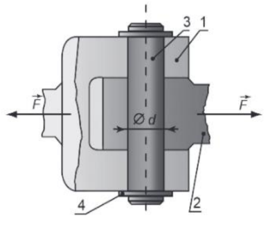
L'articulation suivante assure la liaison entre les solides 1 et 2 au moyen d'un axe 3 (articulation en shape). L'arrêt en translation de l'axe est assuré par deux circlips 4. La résistance admissible au cisaillement de l'axe est de 80 N/mm2 . L'effort maximum supporté par la liaison est de 110 KN. Déterminer le diamètre de l'axe en mm.

cis 3

View this question

Soit la structure suivante. 0A = 1m ; AB = 2m.

La force appliquée en B est portée par l'axe z.

Torseur 3D 5

Calculer les torseurs de cohésion.

0%
0%
100%
View this question

1. Calculer le torseur de cohésion de la poutre encastrée de longueur 4m suivante.

Torseur 2D 1

2. Tracer le diagramme des efforts internes.

0%
0%
0%
0%
0%
View this question

Calculer et choisir la bonne réponse donnant les réactions aux appuis de la poutre suivante de longueur 3m.

AB = 3m ; BC = 2m

PFS 6

100%
0%
0%
0%
0%
View this question

Soit la structure suivante. 0A = 1m ; AB = 2m.

La force appliquée en B est portée par l'axe z.

Torseur 3D 5

Calculer les torseurs de cohésion.

0%
0%
0%
View this question

1. Calculer le torseur de cohésion de la poutre encastrée de longueur 4m suivante.

Torseur 2D 1

2. Tracer le diagramme des efforts internes.

0%
0%
0%
100%
0%
View this question

Calculer et choisir la bonne réponse donnant les réactions aux appuis de la poutre suivante de longueur 4m.

 

PFS 1

0%
0%
0%
0%
0%
View this question

Want instant access to all verified answers on moodle.ipsa.fr?

Get Unlimited Answers To Exam Questions - Install Crowdly Extension Now!

Browser

Add to Chrome